FREE REPAIR MANUALS & LABOR GUIDES 1982-2013 Vehicles
Courtesy of Operation CHARM: Car repair manuals for everyone.

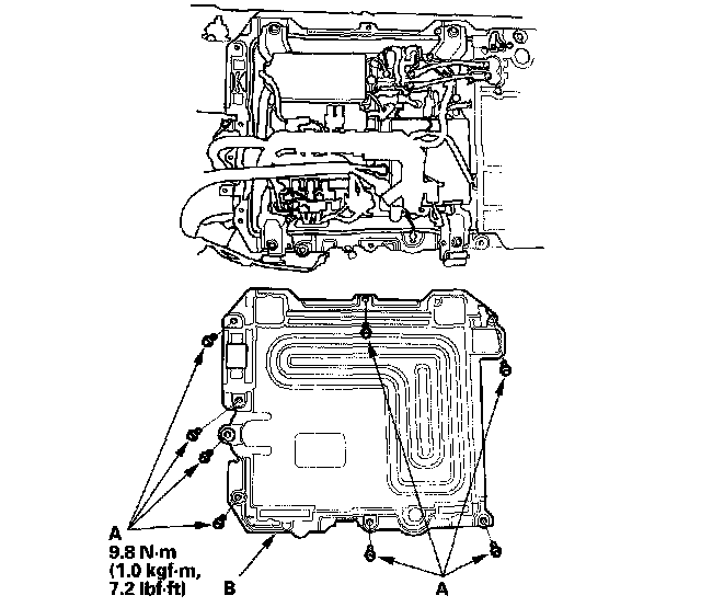
IPU Lid

IPU Lid Removal/Installation

NOTE: Put on gloves to protect your hands from electrical shock.

IMA components are located in this area. The IMA is a high-voltage system. You must be familiar with the IMA system before working on or around it. Make sure you have read the IMA service precaution before doing repairs or service.

1. Remove the rear seat back, and seat cushion.
2. Turn the battery module switch OFF.
3. Remove the bolts (A).





4. Remove the IPU lid (B).
5. Install the parts in the reverse order of removal.
6. Before the battery module switch is turned ON, make sure all the high voltage circuits are connected properly. Then push the tab (A) and then turn the battery module switch ON.