FREE REPAIR MANUALS & LABOR GUIDES 1982-2013 Vehicles
Courtesy of Operation CHARM
:
Car repair manuals for everyone.
Home
>>
Honda
>>
2006
>>
Accord V6-3.0L Hybrid
>>
Repair and Diagnosis
>>
Diagrams
>>
Exploded Views
>>
Cylinder Block Assembly
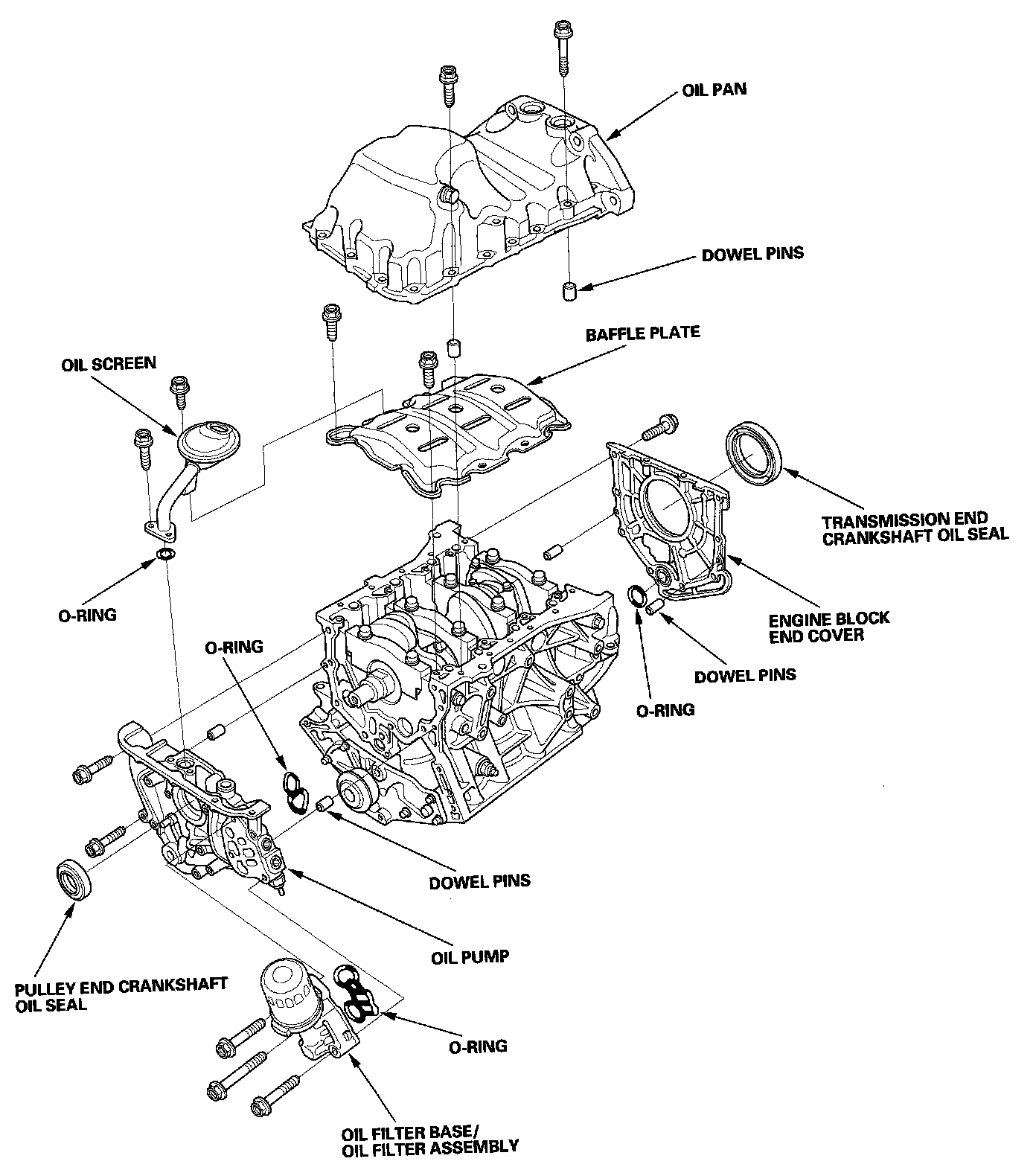
Cylinder Block Assembly
Engine Block Component Location Index:
Engine Block Component Location Index:
Engine Block Component Location Index: