FREE REPAIR MANUALS & LABOR GUIDES 1982-2013 Vehicles
Courtesy of Operation CHARM: Car repair manuals for everyone.

Fuel Level Sensor: Service and Repair

Fuel Pump/Fuel Gauge Sending Unit Replacement

Special Tools Required
Fuel sender wrench 07AAA-SOXA100

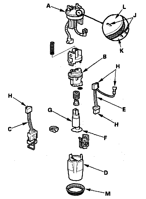
M/T model

1. Remove the fuel tank.
2. Disconnect the quick-connect fittings from the fuel pump.




3. Using the tool, loosen the fuel tank unit locknut (A).




4. Remove the bracket (A), the fuel filter (B), the fuel gauge sending unit (C), the case (D), and the wire harness (E).
5. When connecting the fuel pump, make sure the connection is secure and the suction filter (F) is firmly connected to the fuel pump (G).
6. Install the parts in the reverse order of removal with a new base gasket (M), then check these items:

- When connecting the wire harness, make sure the connection is secure and the connectors (H) are firmly locked into place.
- Do not push the lower part of the suction filter.
- When installing the fuel gauge sending unit, make sure the connection is secure and the connector is firmly locked into place. Be careful not to bend or twist it excessively.
- When installing the fuel pump assembly, align the marks (JD) on the fuel tank (K) and the fuel pump assembly (L).

Special Tools Required
Fuel sender wrench 07AAA-SOXA100

CVT model

1. Remove the fuel tank.
2. Disconnect the quick-connect fittings from the fuel pump.




3. Using the tool, loosen the fuel tank unit locknut (A).




4. Remove the bracket (A), the fuel pressure regulator assembly (B), the fuel filter (C), the fuel gauge sending unit (D), the case (E), and the wire harness (F).
5. When connecting the fuel pump, make sure the connection is secure and the suction filter (G) is firmly connected to the fuel pump (H).
6. Install the parts in the reverse order of removal with a new base gasket (I), then check these items:

- When connecting the wire harness, make sure the connection is secure and the connectors (JD) are firmly locked into place.
- Do not push the lower part of the suction filter.
- When installing the fuel gauge sending unit, make sure the connection is secure and the connector is firmly locked into place. Be careful not to bend or twist it excessively.
- When installing the fuel pump assembly, align the marks (K) on the fuel tank (L) and the fuel pump assembly (M).