FREE REPAIR MANUALS & LABOR GUIDES 1982-2013 Vehicles
Courtesy of Operation CHARM
:
Car repair manuals for everyone.
Home
>>
Honda
>>
2005
>>
Insight L3-1.0L Hybrid
>>
Repair and Diagnosis
>>
Diagrams
>>
Exploded Views
>>
Engine Lubrication
>>
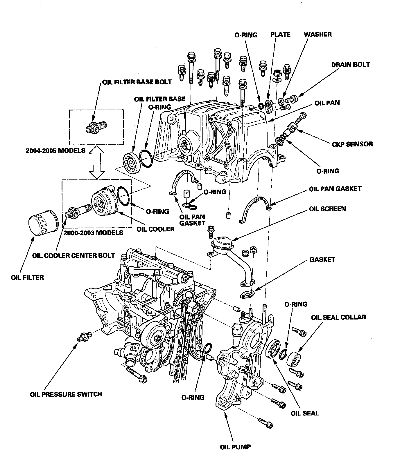
System Diagram
System Diagram