FREE REPAIR MANUALS & LABOR GUIDES 1982-2013 Vehicles
Courtesy of Operation CHARM: Car repair manuals for everyone.

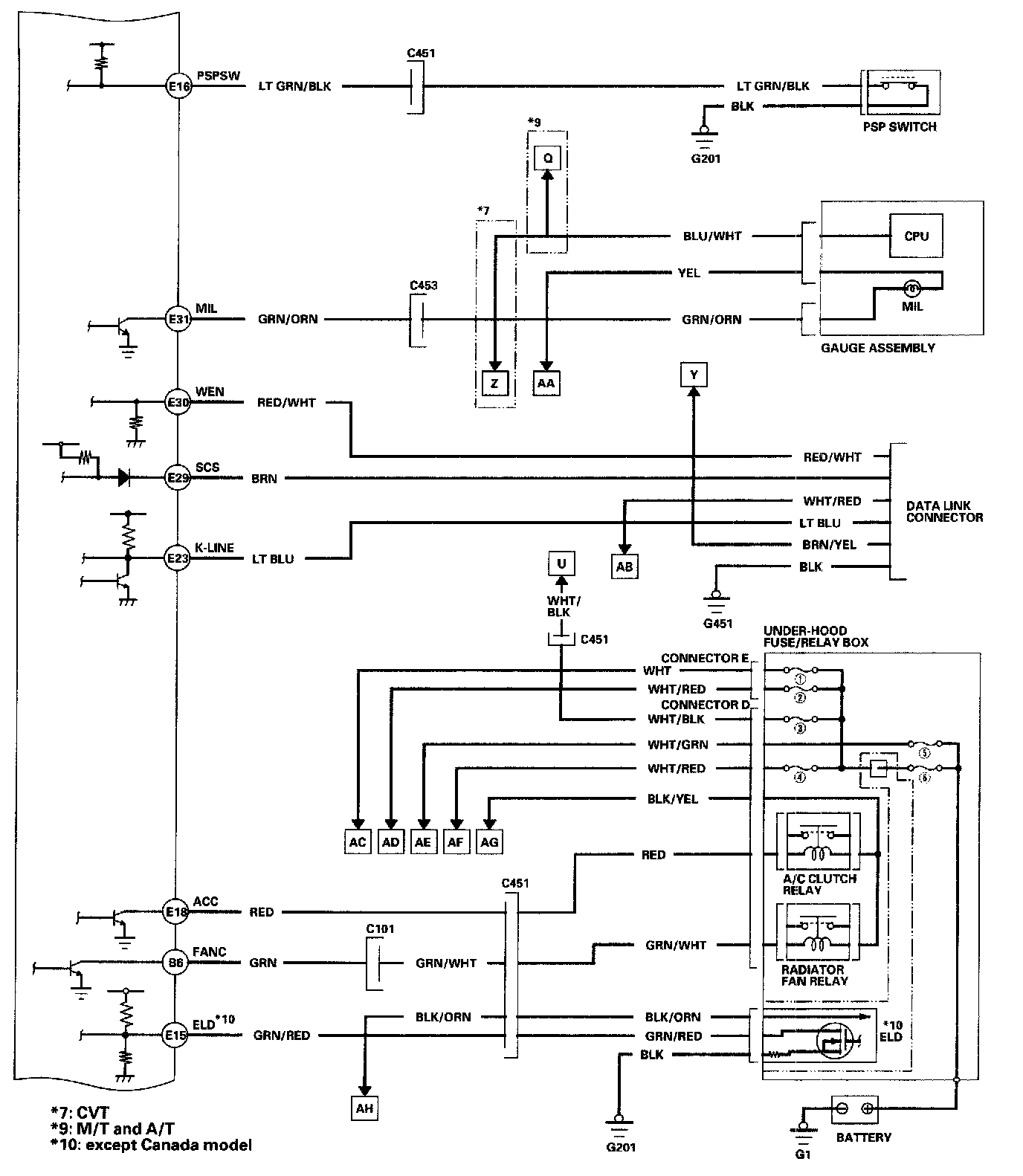
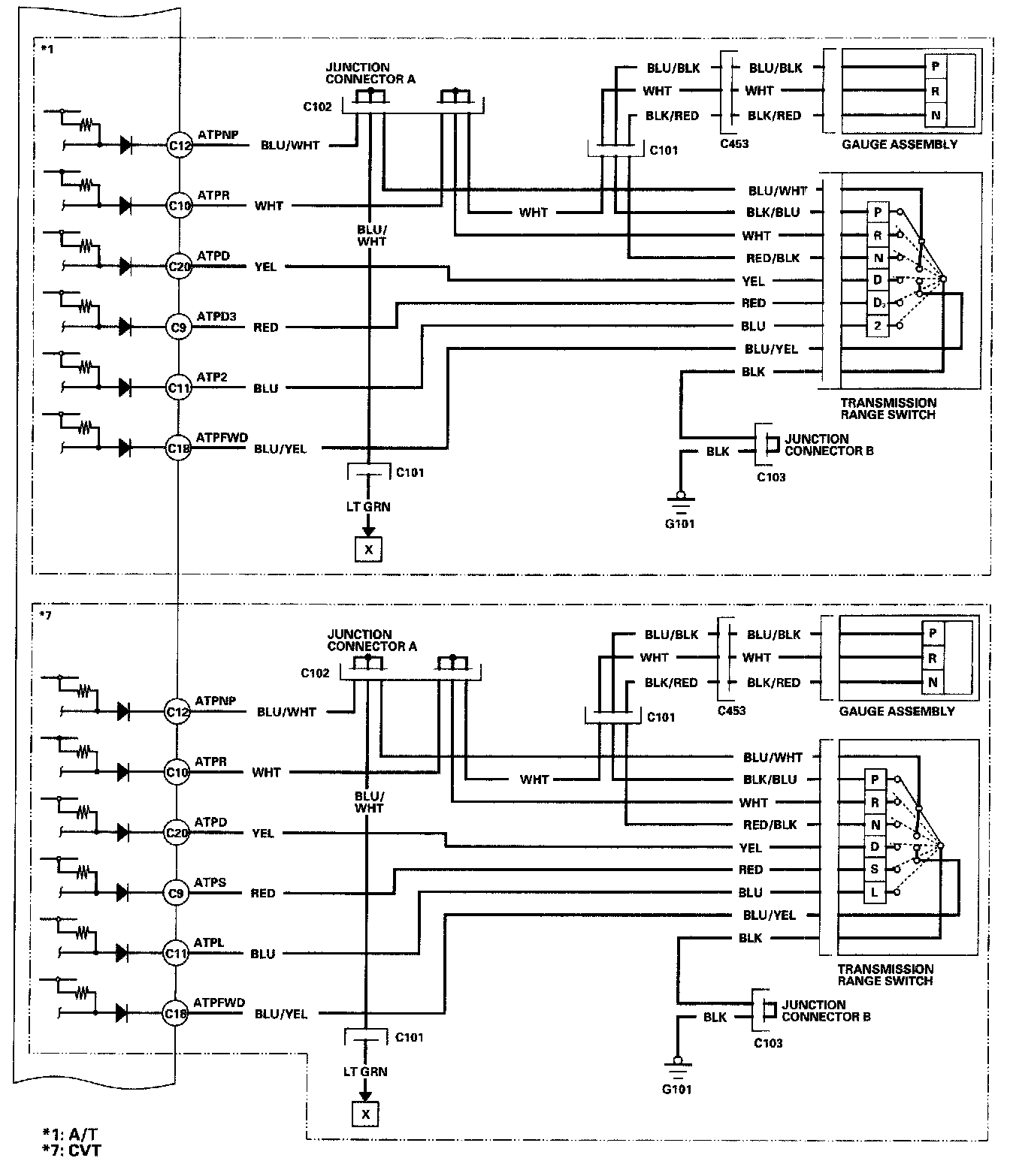
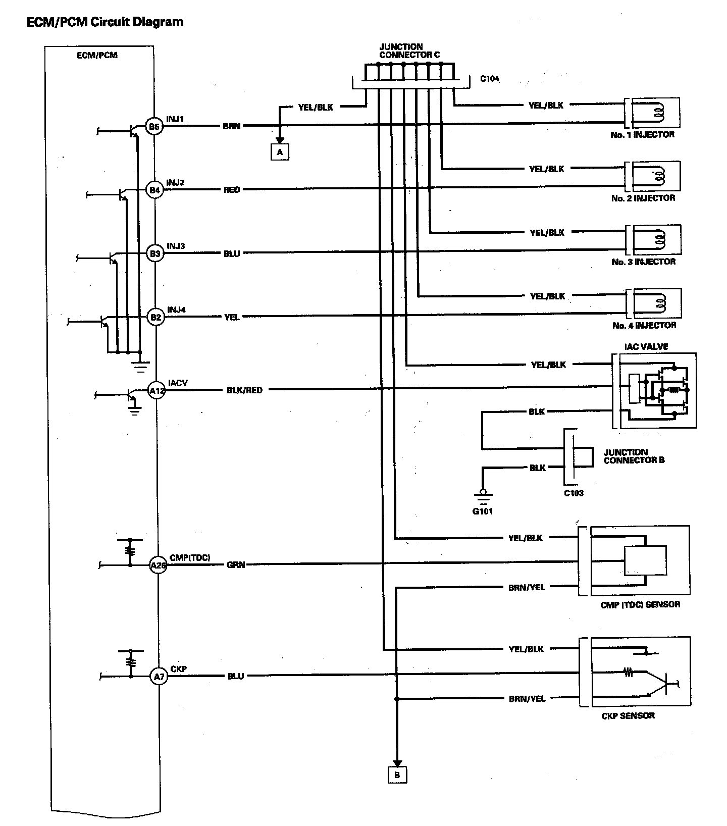
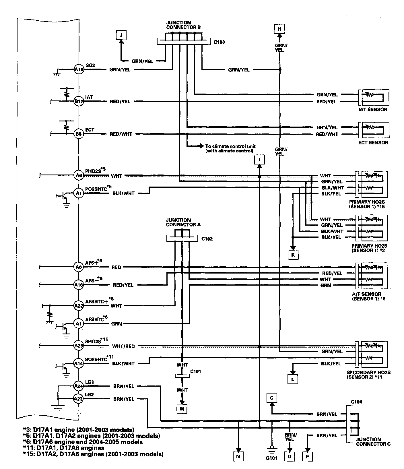
ECM/PCM Circuit Diagrams

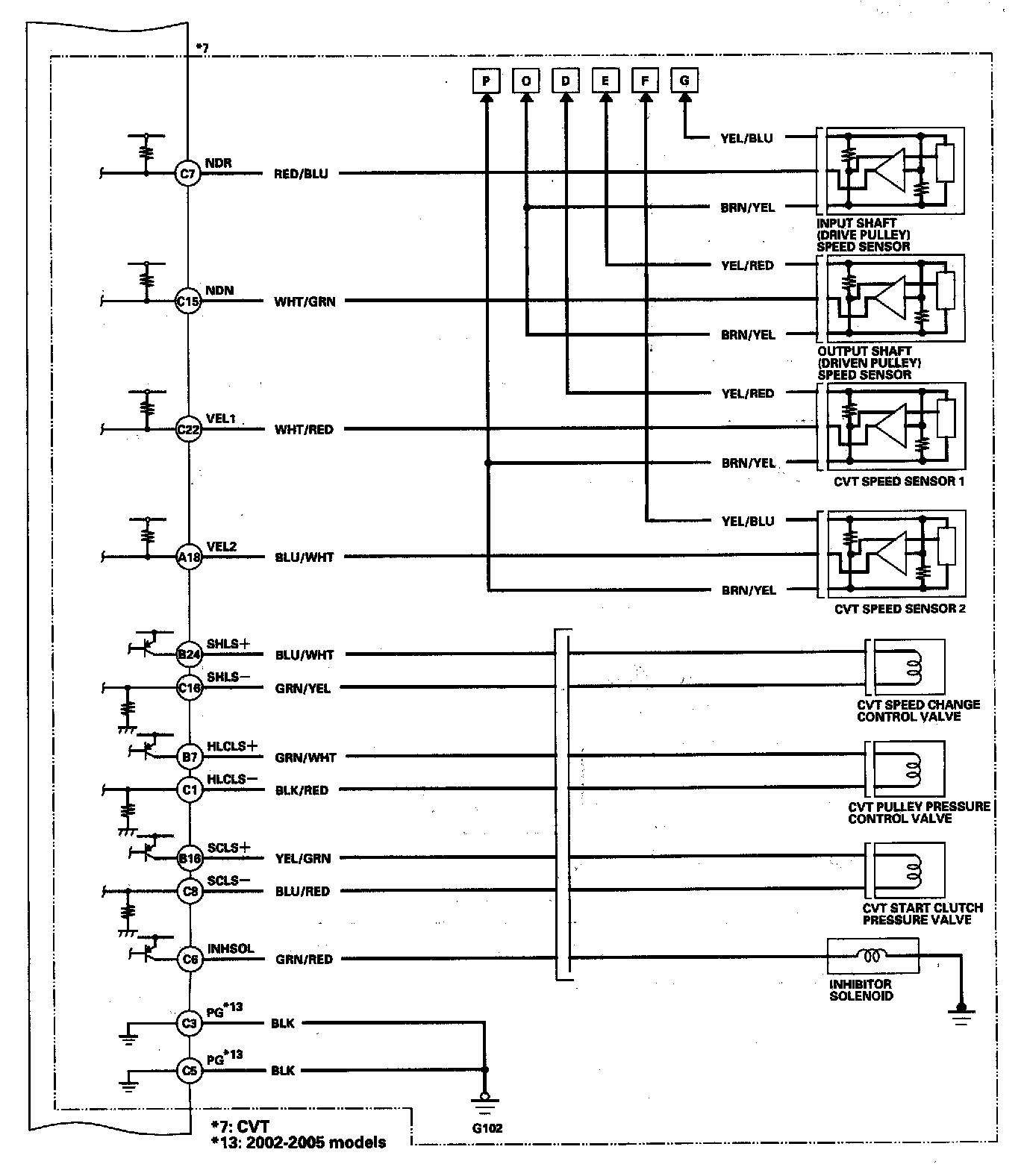
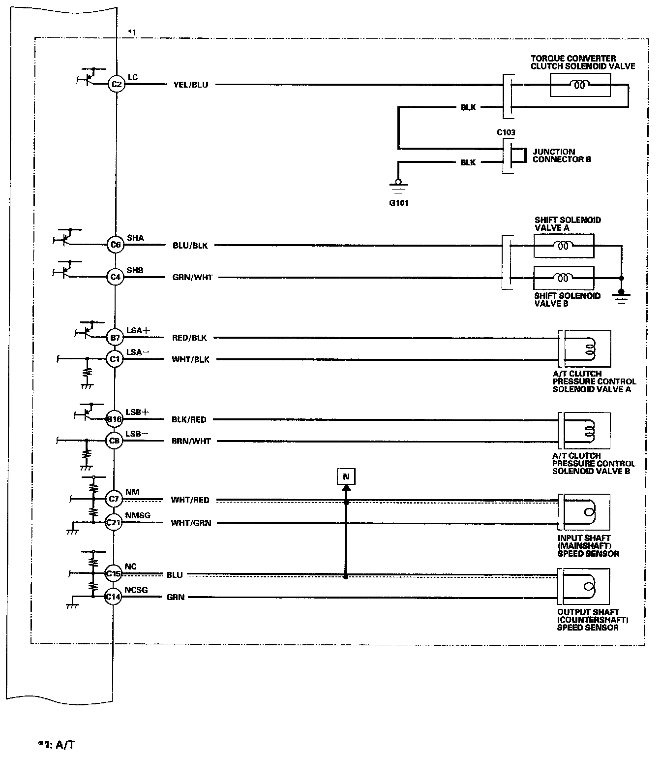
ECM/PCM Circuit Diagram Part 1:




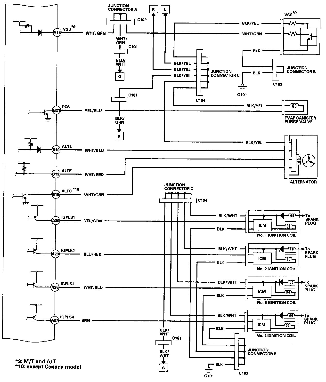
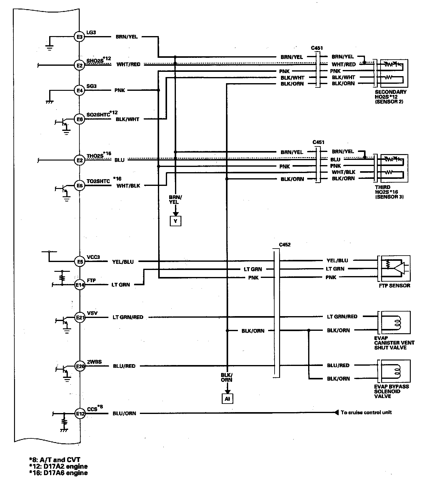
ECM/PCM Circuit Diagram Part 2:




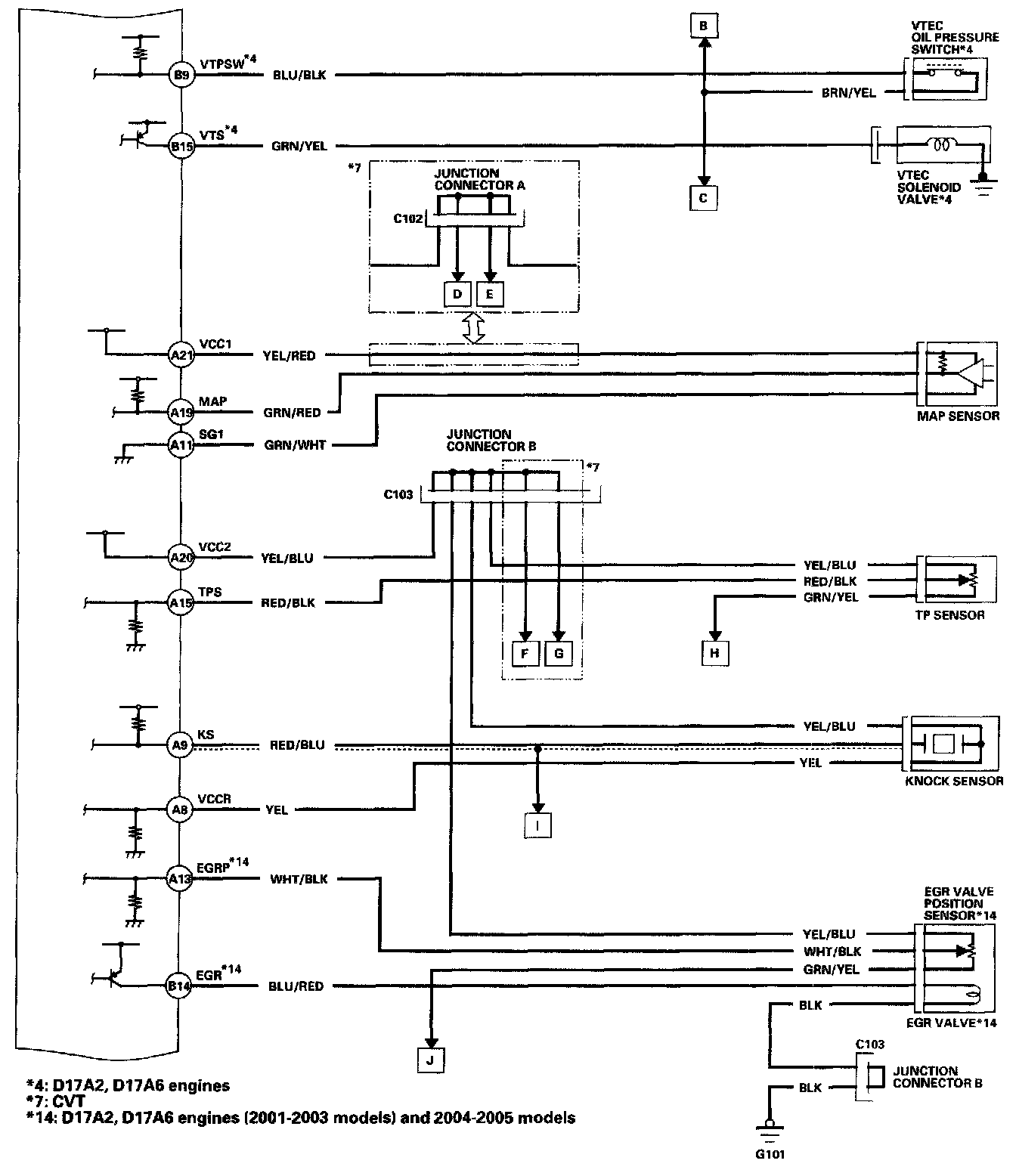
ECM/PCM Circuit Diagram Part 3:




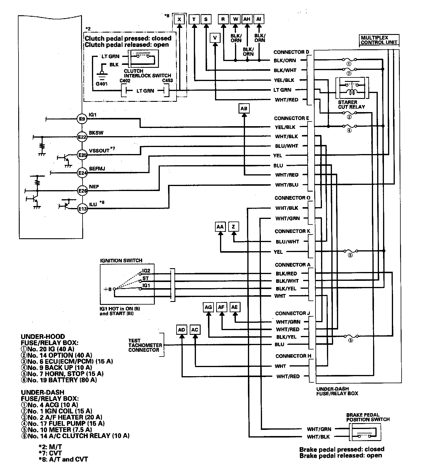
ECM/PCM Circuit Diagram Part 4:




ECM/PCM Circuit Diagram Part 5:




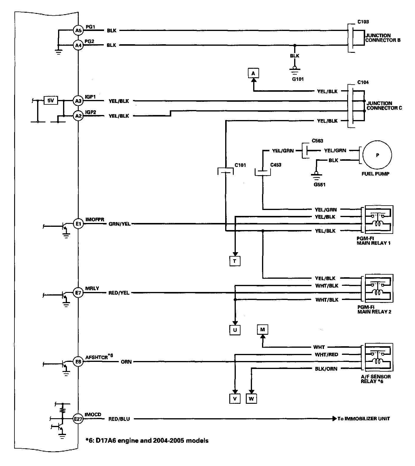
ECM/PCM Circuit Diagram Part 6:




ECM/PCM Circuit Diagram Part 7:




ECM/PCM Circuit Diagram Part 8:




ECM/PCM Circuit Diagram Part 9:




ECM/PCM Circuit Diagram Part 10:




ECM/PCM Circuit Diagram Part 11: