FREE REPAIR MANUALS & LABOR GUIDES 1982-2013 Vehicles
Courtesy of Operation CHARM: Car repair manuals for everyone.

PCM Circuit Diagrams

PCM Circuit Diagram 11-41:




PCM Circuit Diagram 11-42:




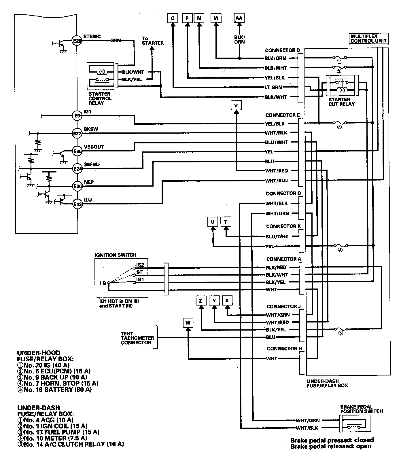
PCM Circuit Diagram 11-43:




PCM Circuit Diagram 11-44:




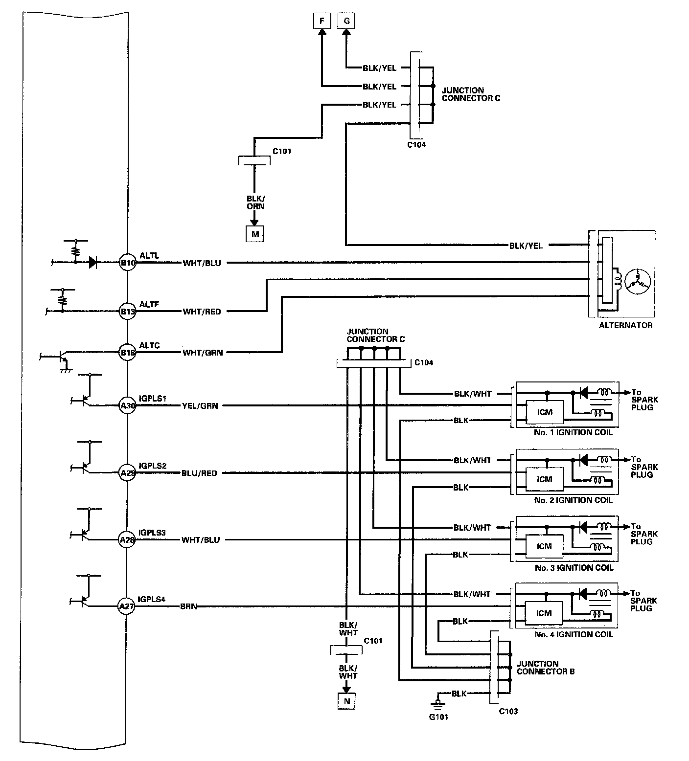
PCM Circuit Diagram 11-45:




PCM Circuit Diagram 11-46:




PCM Circuit Diagram 11-47:




PCM Circuit Diagram 11-48:




PCM Circuit Diagram 11-49: