FREE REPAIR MANUALS & LABOR GUIDES 1982-2013 Vehicles
Courtesy of Operation CHARM: Car repair manuals for everyone.

Heater Core: Service and Repair

Heater Unit/Core Replacement

SRS components are located in this area. Review the SRS component locations, and precautions and procedures in the SRS section before performing repairs or service.

1. Make sure you have the anti-theft code for the radio, then write down the frequencies for the radio's preset buttons.
2. Disconnect the negative cable from the battery.
3. With air conditioning; disconnect the suction and receiver lines from the evaporator core.




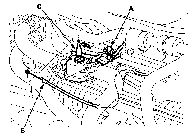
4. From under the hood, open the cable clamp (A), then disconnect the heater valve cable (B) from the heater valve arm (C). Turn the heater valve arm to the fully opened position as shown.
5. When the engine is cool, drain the engine coolant from the radiator.




6. Slide the hose clamps (A) back, then disconnect the inlet heater hose (B) and the outlet heater hose (C) from the heater core. Engine coolant will run out when the hoses are disconnected; drain it into a clean drip pan. Be sure not to let coolant spill on the electrical parts or the painted surfaces. If any coolant spills, rinse it off immediately.




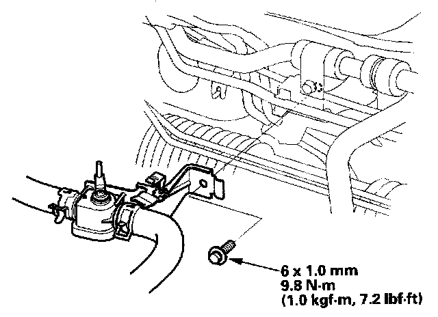
7. Remove the mounting bolt and the heater valve as shown.




8. Remove the mounting nut from the heater unit. Take care not to damage or bend the fuel lines and the brake lines, etc.
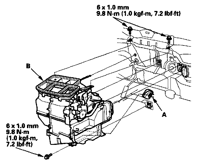
9. Remove the dashboard.
10. Remove the blower unit.




11. Disconnect the drain hose (A), then remove the mounting bolts and the heater unit (B).




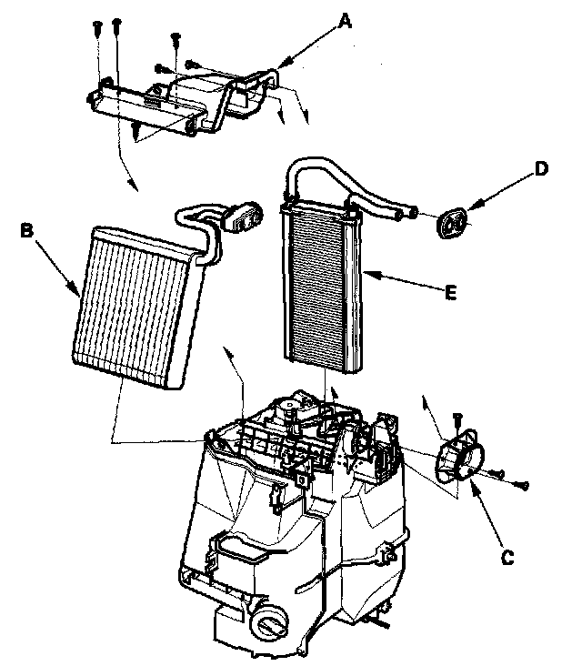
12. Remove the self-tapping screws and the expansion valve cover (A). With air conditioning; carefully pull out the evaporator core (B) so you don't bend the inlet and outlet pipes. Remove the self-tapping screws and the flange cover (C), then remove the grommet (D), and carefully pull out the heater core (E) so you don't bend the inlet and outlet pipes.
13. Install the heater core and the evaporator core (with A/C) in the reverse order of removal.
14. Install the heater unit in the reverse order of removal, and note these items:
- Do not interchange the inlet and outlet heater hoses, and install the hose clamps securely.
- Refill the cooling system with engine coolant.
- Be sure to connect the drain hose securely.
- Adjust the heater valve cable.
- Make sure that there is no coolant leakage.
- Make sure that there is no air leakage.
- With air conditioning, refer to evaporator core replacement.
- Do the ECM/PCM idle learn procedure.
- Enter the anti-theft code for the radio, then enter the customer's radio station presets.