FREE REPAIR MANUALS & LABOR GUIDES 1982-2013 Vehicles
Courtesy of Operation CHARM: Car repair manuals for everyone.

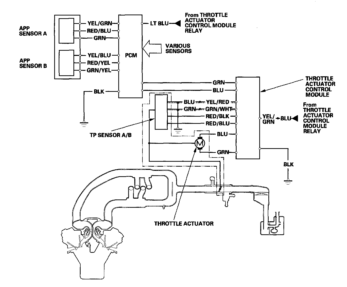
Electronic Throttle Control System




Electronic Throttle Control System Diagram
The electronic throttle control system consists of the throttle actuator, throttle position (TP) sensor A/B, accelerator pedal position (APP) sensor A/B, throttle actuator control module, and the PCM. The throttle is electronically controlled by this system.