FREE REPAIR MANUALS & LABOR GUIDES 1982-2013 Vehicles
Courtesy of Operation CHARM: Car repair manuals for everyone.

MCM Reset

Reset the MCM with the HDS
1. Turn the ignition switch ON (II). Do not start the engine.
2. Use the HDS to clear the DTC.

NOTE: For specific operations, refer to the user's manual that came with the HDS.

How to End a Troubleshooting Session (required after any troubleshooting)
1. Reset the MCM as described above.
2. Turn the ignition switch OFF.
3. Disconnect the HDS from the DLC.
4. If the IMA battery level gauge (BAT) displays no segments, start the engine, and hold it between 3,500 rpm and 4,000 rpm without load (in Park or neutral) until the BAT displays at least three segments.
5. Do the PCM idle learn procedure.

Motor Rotor Position Calibration
Do the motor rotor position calibration whenever you do any of these actions:
The MCM is replaced. The motor rotor position sensor is replaced. The IMA motor is replaced. The motor stator is replaced. The engine assembly is replaced. The transmission is replaced.





1. Connect the HDS to the data link connector (DLC) (A) located under the driver's side of the dashboard.
2. Turn the ignition switch ON (II).
3. Select IMA SYSTEM on the HDS.
4. Select the MOTOR ROTOR POSITION CALIBRATION in the ADJUSTMENT MENU of the HDS.
5. Turn the ignition switch OFF, and disconnect the HDS from the DLC.

How to Troubleshoot Circuits at the MCM

Special Tools Required
^ Digital multimeter KS-AHM-32-003 (1) or a commercially available digital multimeter
^ Backprobe set 07SAZ-001000A (2)

If DTC troubleshooting requires voltage or resistance checks at the MCM connectors, remove the MCM and test it.

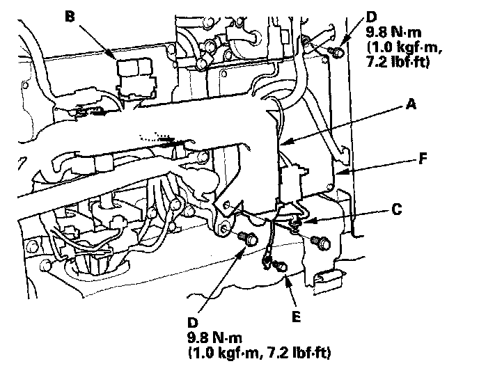
1. Remove the IPU lid.





2. Remove the harness holder (A), the MCM relay (B), and the clip (C).
3. Remove the bolts (D), disconnect ground bolt (E), and then raise the MCM (F).





4. Connect the backprobe adapters (A) to the stacking patch cords (B), and connect the cords to a digital multimeter.
5. Using the wire insulation as a guide for the contoured tip of the backprobe adapter, gently slide the tip into the connector from the wire side until it touches the end of the wire terminal.