FREE REPAIR MANUALS & LABOR GUIDES 1982-2013 Vehicles
Courtesy of Operation CHARM: Car repair manuals for everyone.

System Diagram

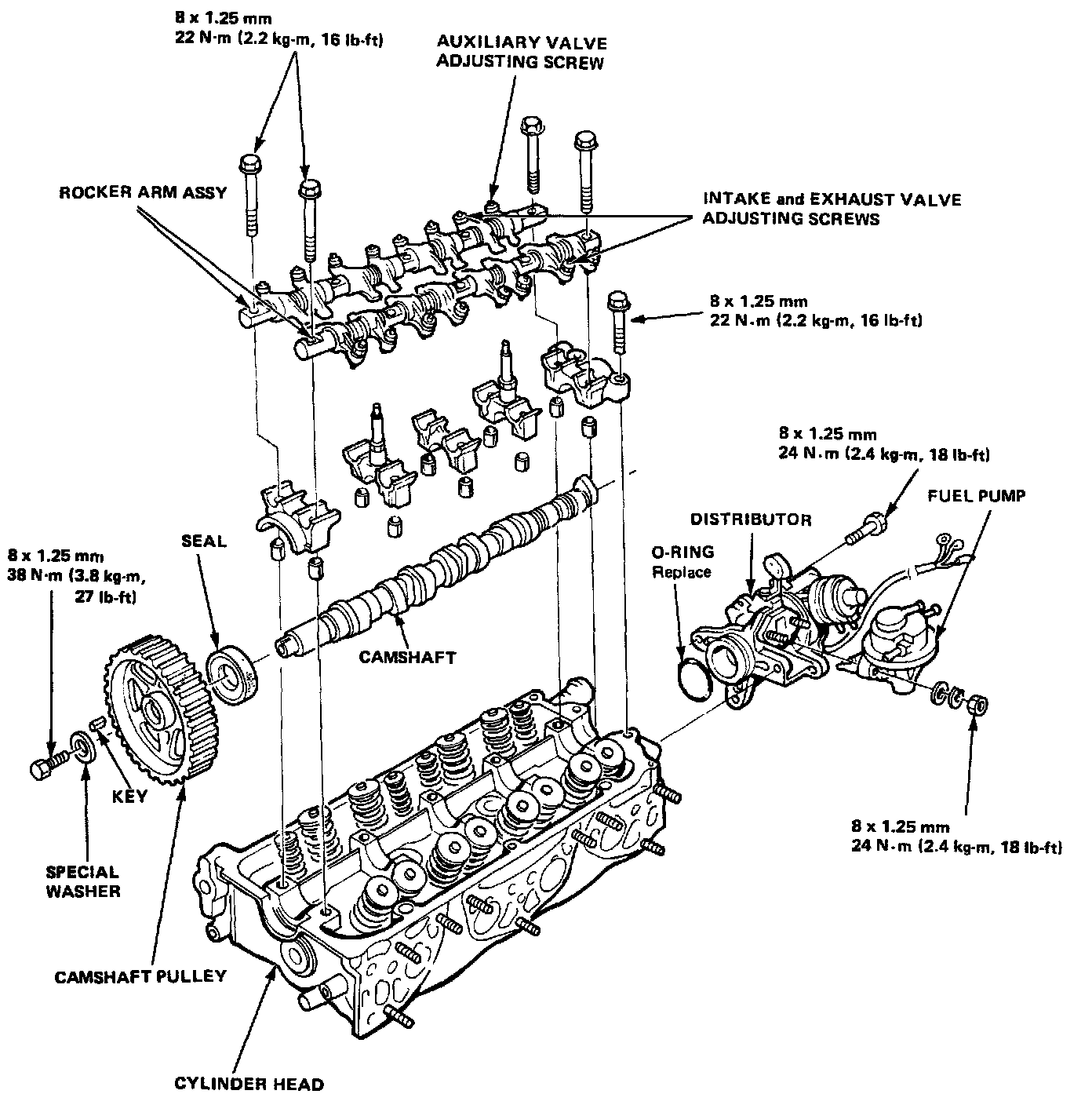
Cylinder Head Assembly And Cover:





Camshaft, Rockers, Distributor And Fuel Pump:





Valves, Guides And Springs, Auxiliary Valve Components:





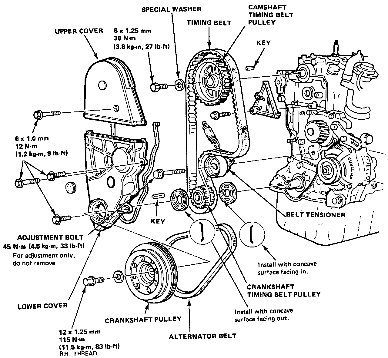
Camshaft Pulley:





Timing Belt, Components And Covers:





Crankshaft, Main Bearing Caps And Flywheel/Flex Plate:





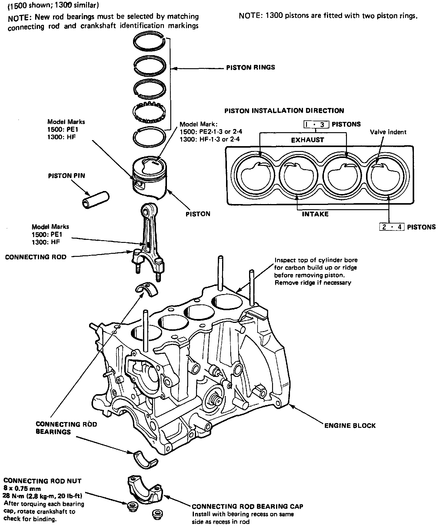
Piston And Connecting Rod:





Lubrication System Components:





Oil Pump Components:





Intake Manifold And Attached Components:





Exhaust Manifold And Attached Components: