FREE REPAIR MANUALS & LABOR GUIDES 1982-2013 Vehicles
Courtesy of Operation CHARM: Car repair manuals for everyone.

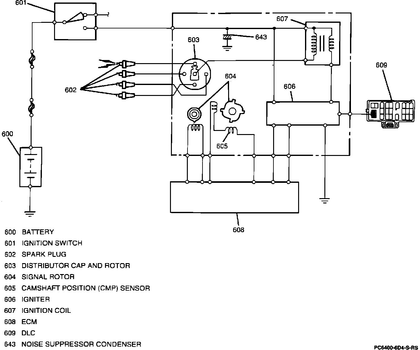
Ignition System: Description and Operation


Ignition System:






The ignition circuit consists of the battery, distributor, ignition switch, spark plugs, igniter, and primary and secondary wiring.All models are equipped with an electronic spark control (ESC) ignition system which is monitored and controlled by the powertrain control module (PCM).

The distributor that is used within the ignition system consists of a signal generator (signal rotor and camshaft position sensor) and rotor.

All spark timing changes in the distributor are performed electronically by the PCM. The PCM monitors information from various engine sensors, computes desired spark timing, and signals the distributor to change the timing accordingly. No vacuum or mechanical advance mechanisms are used. The ignition system also includes a noise suppressor condenser and noise suppressor filter to eliminate ignition sound. The noise suppressor filter also provides the tachometer with an ignition signal.