FREE REPAIR MANUALS & LABOR GUIDES 1982-2013 Vehicles
Courtesy of Operation CHARM
:
Car repair manuals for everyone.
Home
>>
Geo
>>
1994
>>
Prizm L4-1.8L DOHC
>>
Repair and Diagnosis
>>
Powertrain Management
>>
Diagrams
>>
Electrical Diagrams
>>
Electronic/Powertrain Control Module (ECM/PCM)
Electronic/Powertrain Control Module (ECM/PCM)
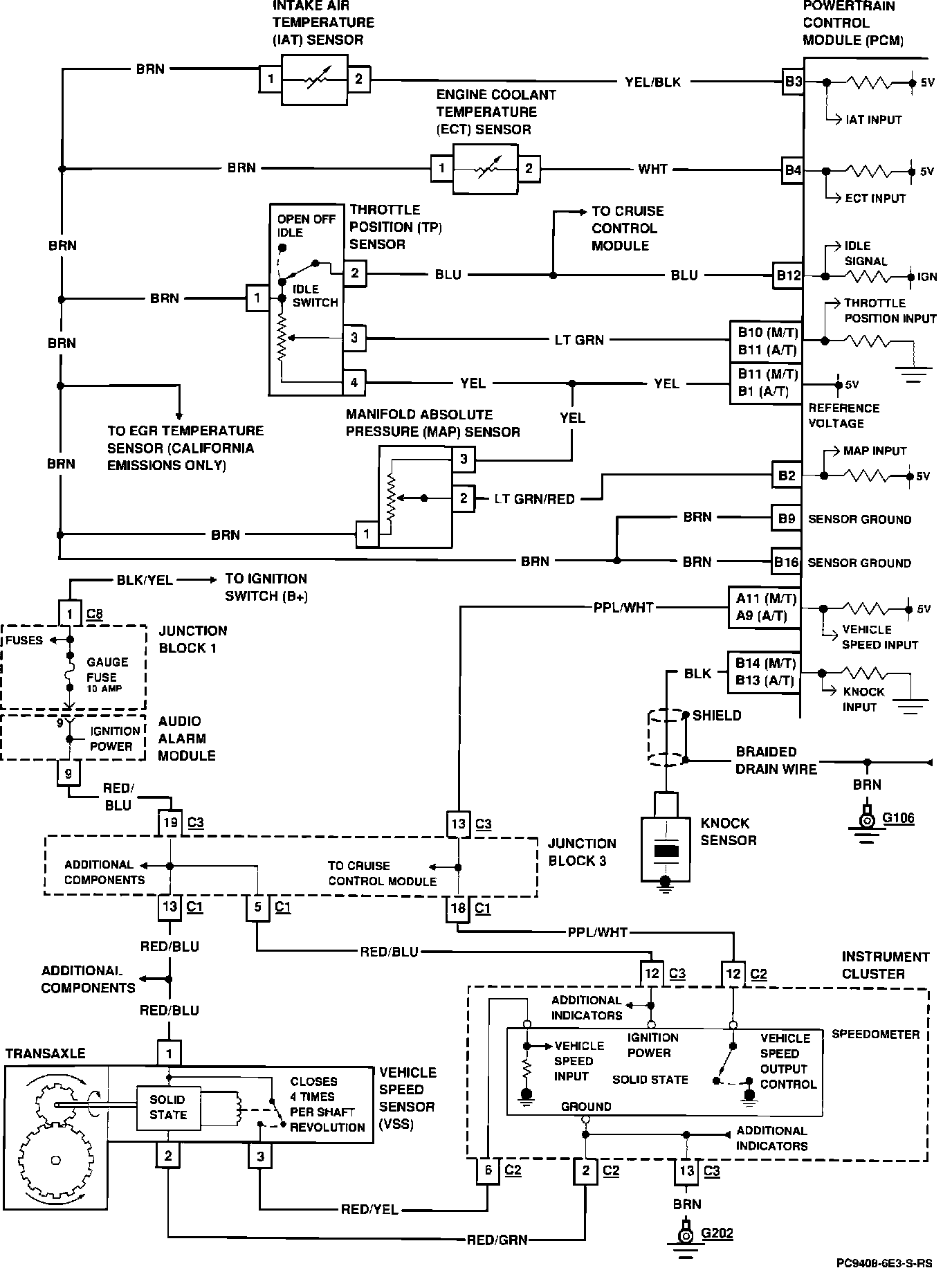
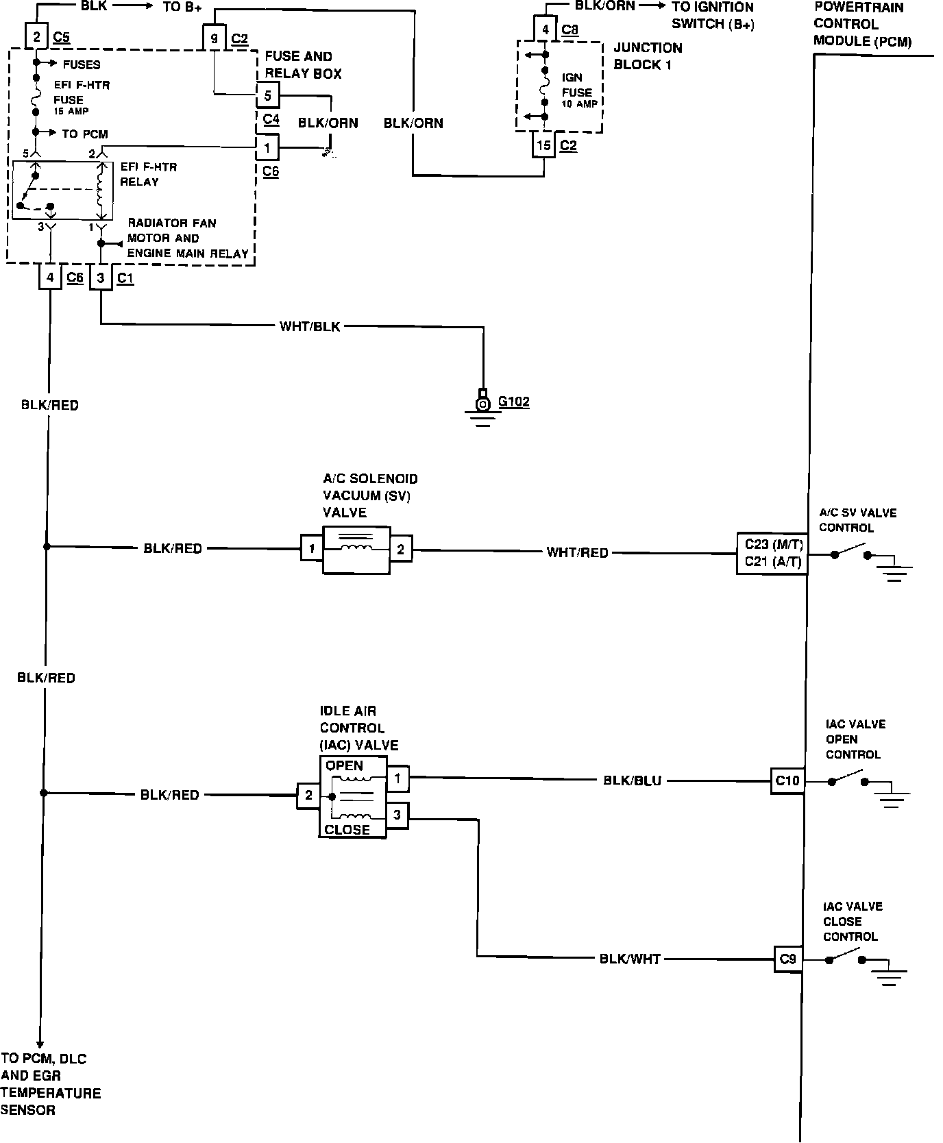
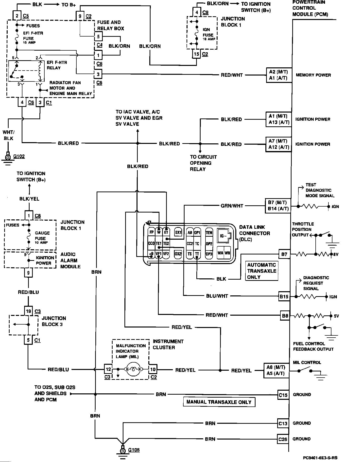
PCM System Schematic:
PCM System Schematic:
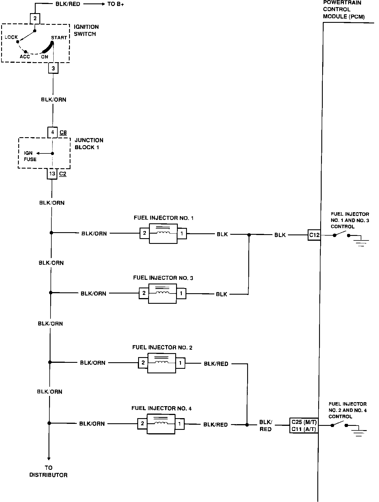
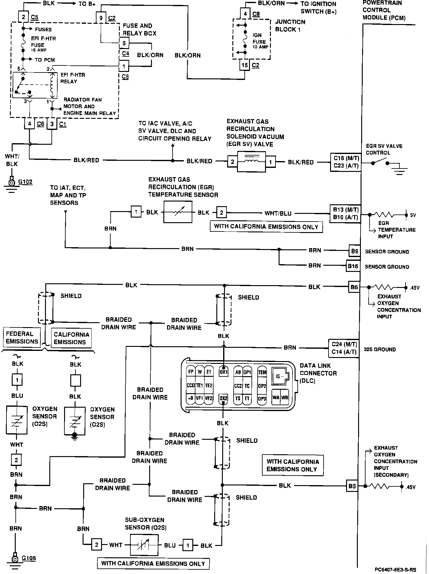
PCM System Schematic:
PCM System Schematic:
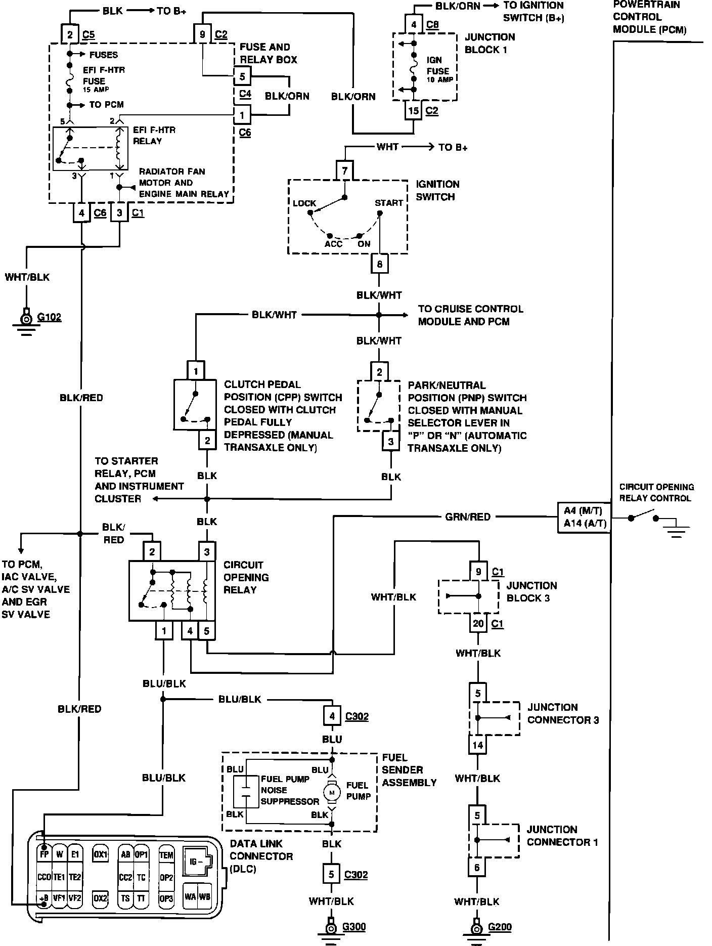
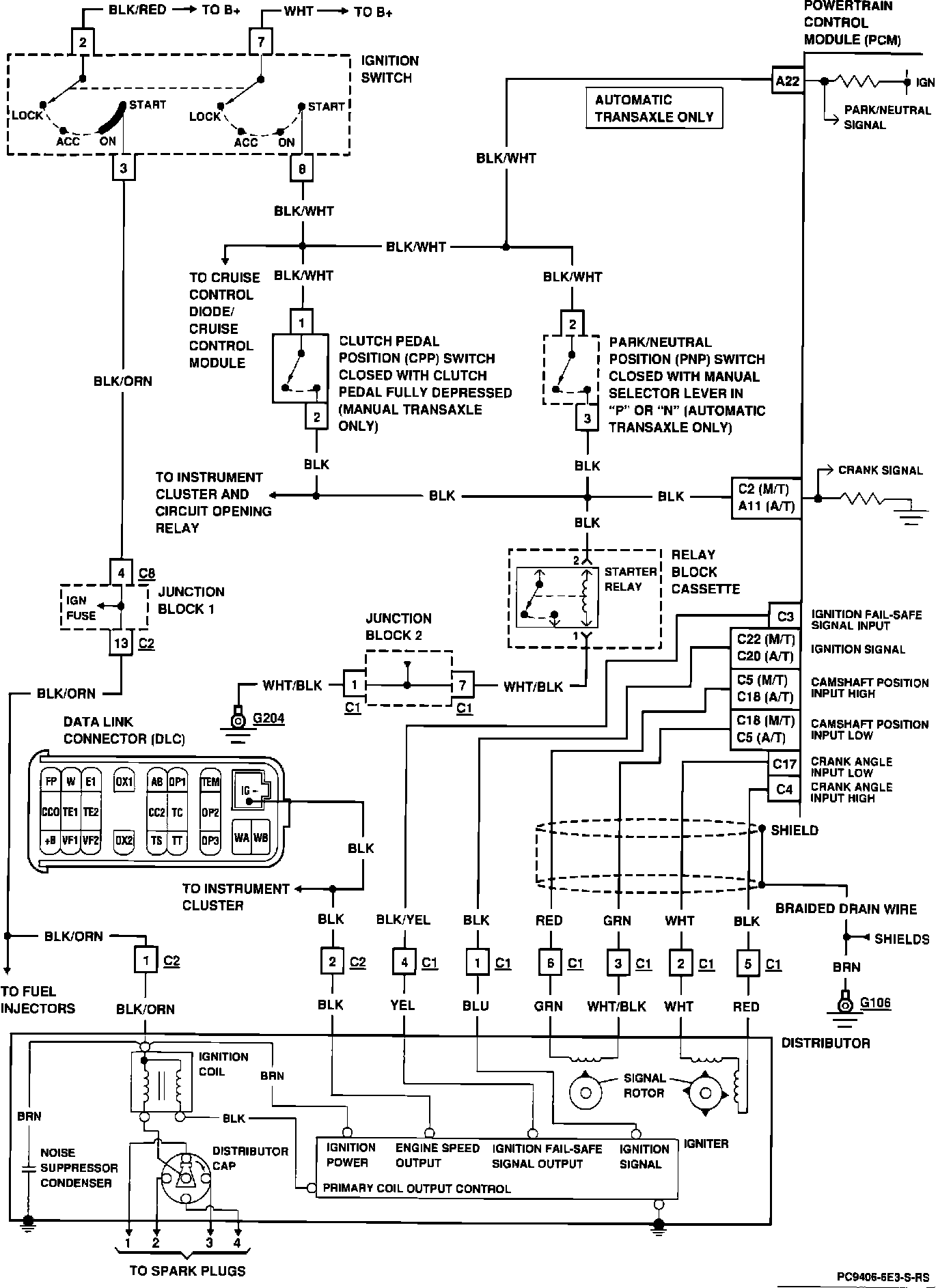
PCM System Schematic:
PCM System Schematic:
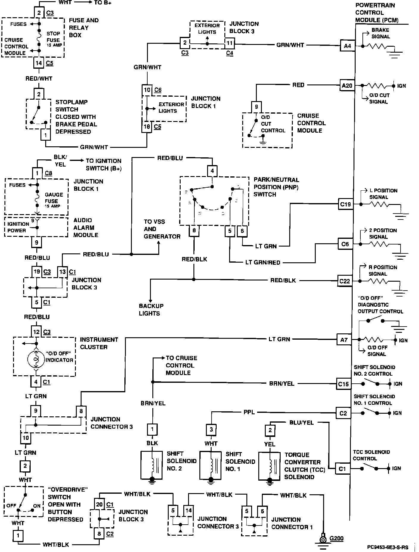
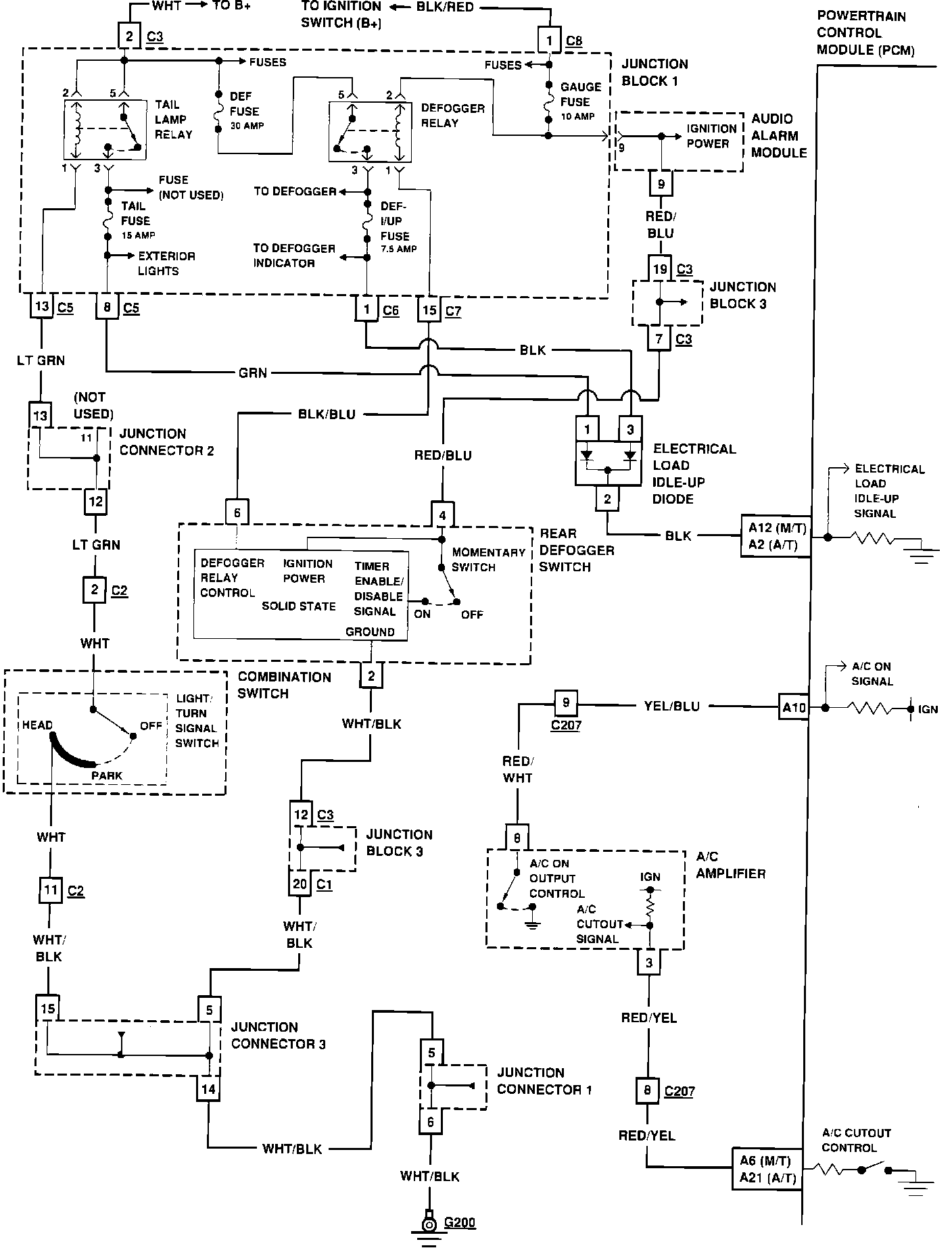
PCM System Schematic:
PCM System Schematic:
PCM System Schematic: