FREE REPAIR MANUALS & LABOR GUIDES 1982-2013 Vehicles
Courtesy of Operation CHARM: Car repair manuals for everyone.

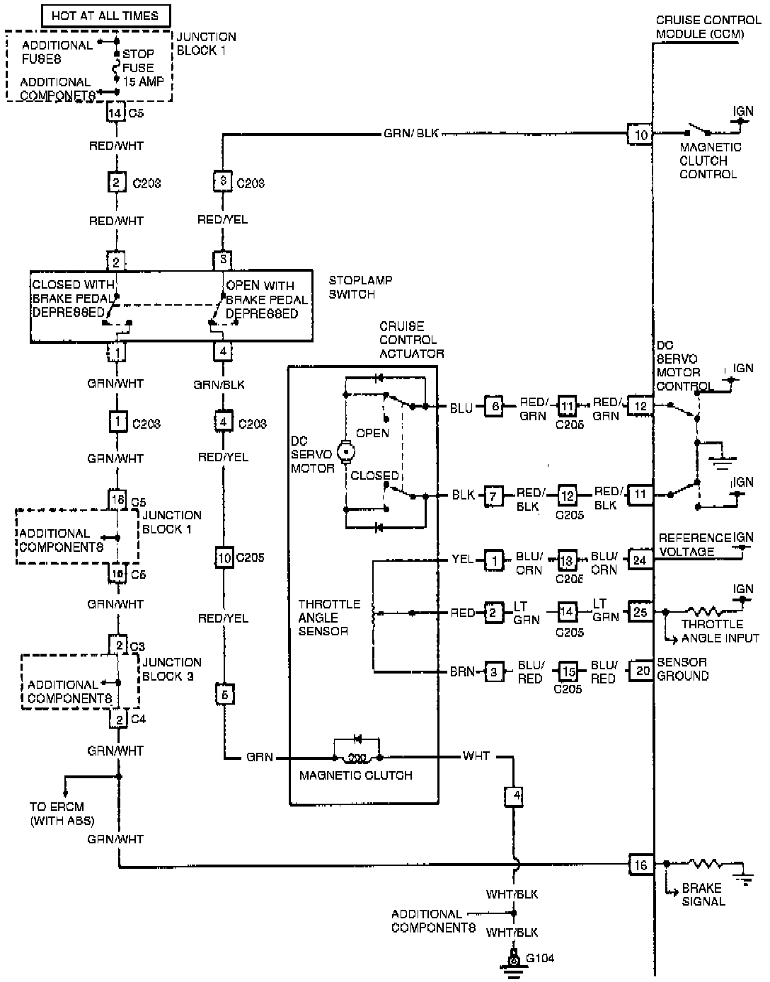
Cruise Control Module

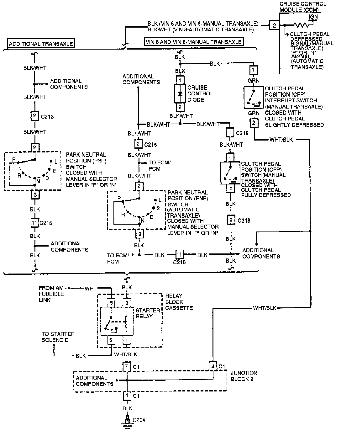
Fig. 23 Cruise Control Module Wiring Diagram (Part 1 Of 5).:




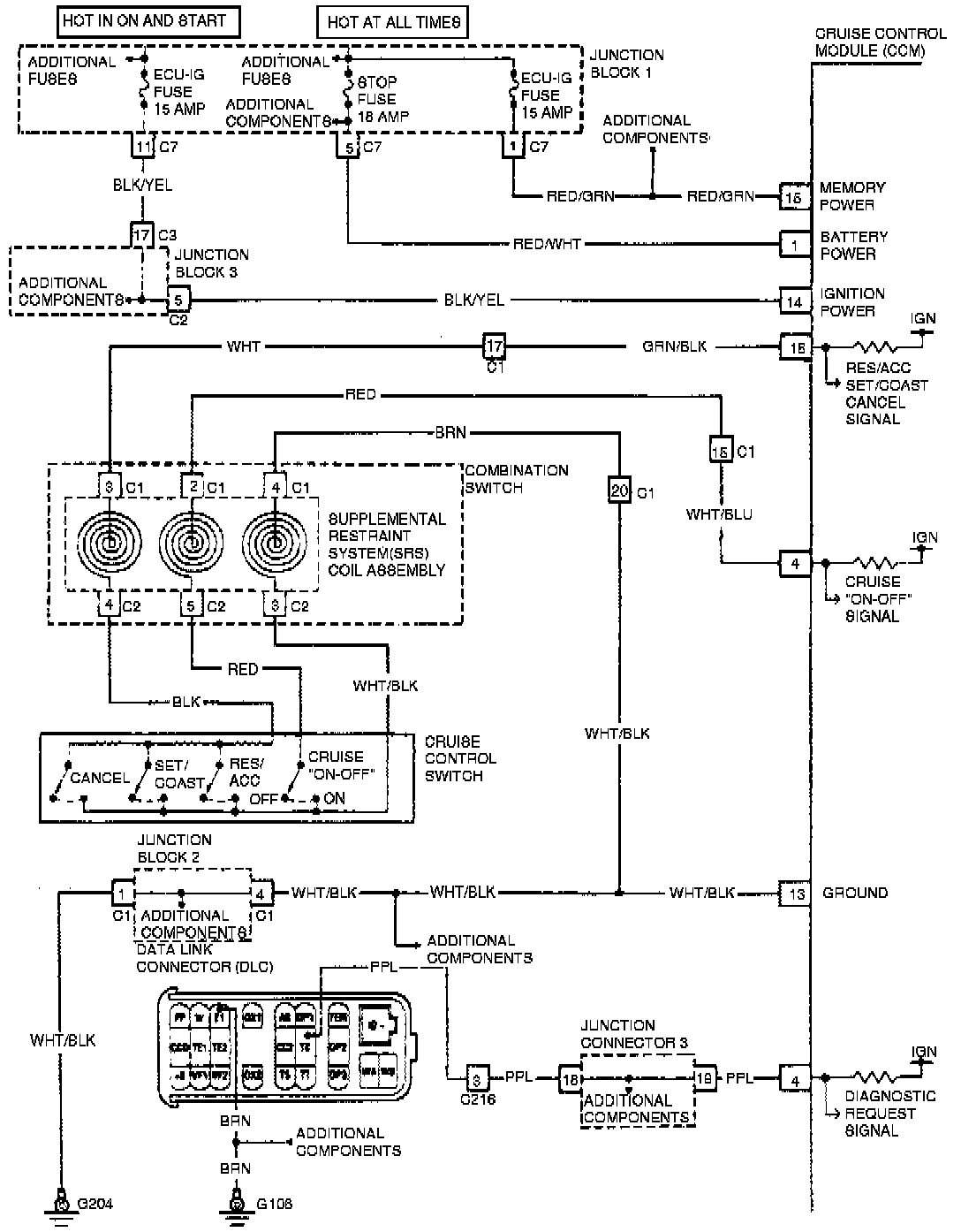
Fig. 23 Cruise Control Module Wiring Diagram (Part 2 Of 5).:




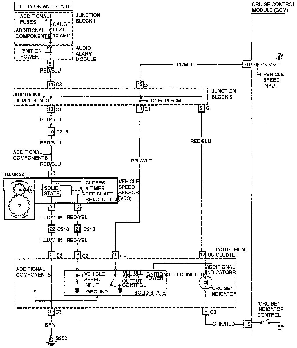
Fig. 23 Cruise Control Module Wiring Diagram (Part 3 Of 5).:




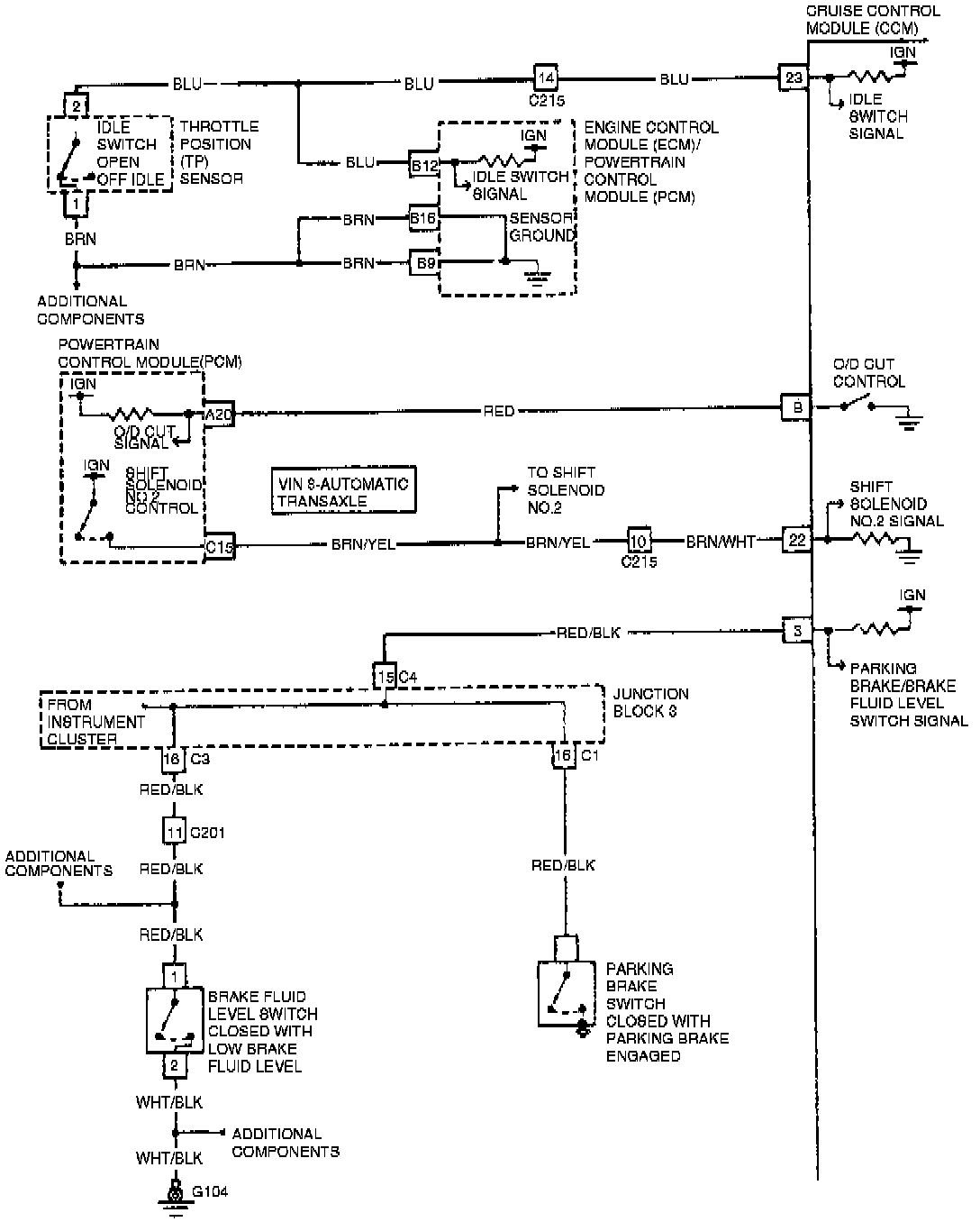
Fig. 23 Cruise Control Module Wiring Diagram (Part 4 Of 5).:




Fig. 23 Cruise Control Module Wiring Diagram (Part 5 Of 5).: