FREE REPAIR MANUALS & LABOR GUIDES 1982-2013 Vehicles
Courtesy of Operation CHARM
:
Car repair manuals for everyone.
Home
>>
Geo
>>
1993
>>
Storm L4-1600cc 1.6L SOHC
>>
Repair and Diagnosis
>>
Powertrain Management
>>
Diagrams
>>
Electrical Diagrams
>>
Electronic/Powertrain Control Module (ECM/PCM)
Electronic/Powertrain Control Module (ECM/PCM)
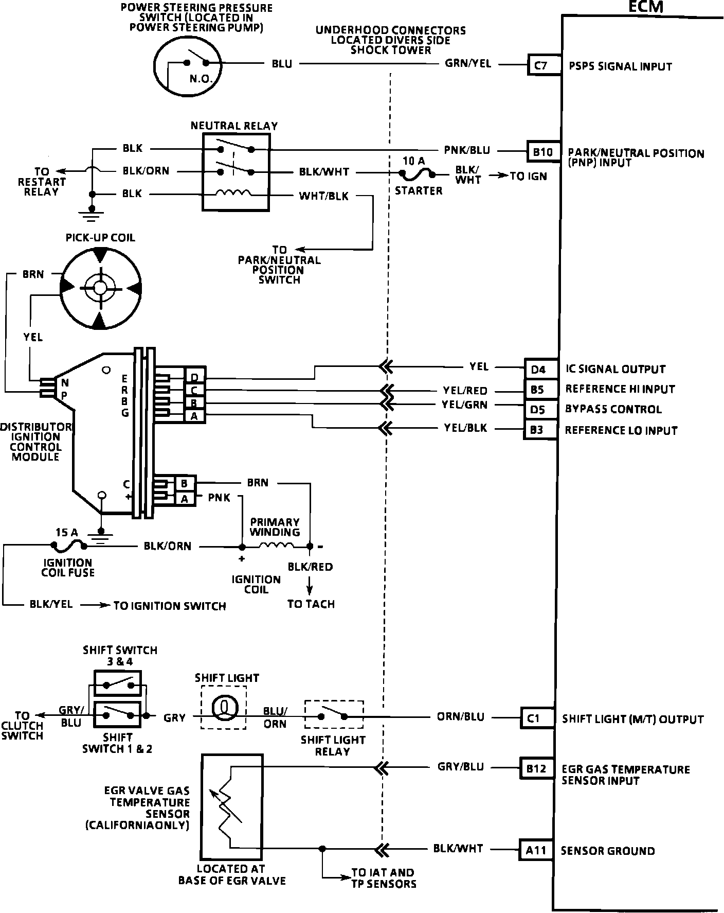
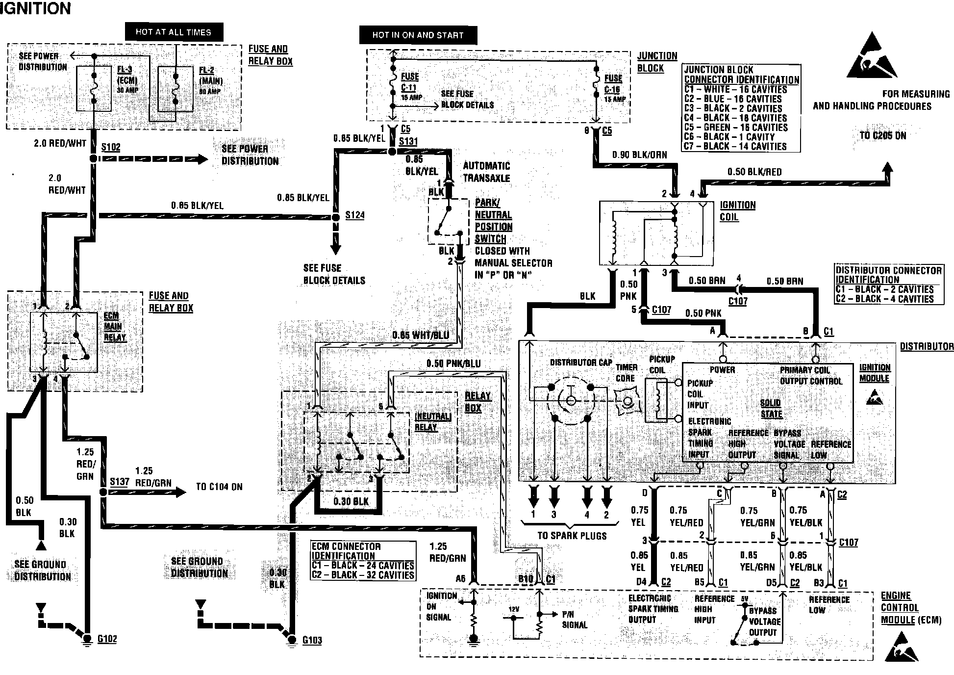
ECM Schematic:
ECM Schematic:
ECM Schematic:
ECM Wiring Diagram 1.6L Storm:
ECM Wiring Diagram:
ECM Wiring Diagram:
ECM Wiring Diagram:
ECM Wiring Diagram: