FREE REPAIR MANUALS & LABOR GUIDES 1982-2013 Vehicles
Courtesy of Operation CHARM: Car repair manuals for everyone.

Pinpoint Test D: The Defrost System Is Inoperative




Glass, Frames and Mechanisms

Pinpoint Tests

Pinpoint Test D: The Defrost System is Inoperative

Refer to Wiring Diagram Set 56, Heated Window for schematic and connector information. Diagrams By Number

Normal Operation

When the engine is running and the defrost switch (integral to the Front Controls Interface Module (FCIM)) is pressed, the FCIM sends the defrost request message to the HVAC module over the Controller Area Network (CAN). The HVAC module activates the rear window defrost relay by grounding the relay coil through circuit CH122 (WH/OG). When the rear window defrost relay is activated, power is supplied from the relay to the rear window defrost grid through circuit CRD17 (GY). Ground is supplied to the rear window defrost grid through circuit GD109 (BK) (Coupe) or GD110 (BK/WH) (Convertible).

- DTC B1C83:11 (Rear Defog Relay: Circuit Short to Ground) - When the HVAC module senses a short to ground on the rear window defrost relay control circuit, this DTC will set.
- DTC B1C83:13 (Rear Defog Relay: Circuit Open) - When the HVAC module senses an open on the rear window defrost relay control circuit, this DTC will set.

This pinpoint test is intended to diagnose the following:
- Fuse(s)
- Rear window defrost relay
- Wiring, terminals or connectors
- Rear window defrost grid
- HVAC module
- FCIM

PINPOINT TEST D: THE DEFROST SYSTEM IS INOPERATIVE

NOTICE: Use the correct probe adapter(s) when making measurements. Failure to use the correct probe adapter(s) may damage the connector.

-------------------------------------------------
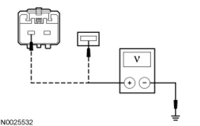
D1 CHECK THE REAR WINDOW DEFROST GRID VOLTAGE


- Disconnect: Rear Window Defrost Grid Power C402A (Coupe) or C402 (Convertible).
- Start the engine.
- Activate the rear window defrost switch and measure the voltage between rear window defrost grid power C402A-1 (coupe) or C402-1 (convertible), circuit CRD17 (GY), harness side and ground.




- Is the voltage greater than 10 volts?

Yes
GO to D2.

No
GO to D3.

-------------------------------------------------
D2 CHECK THE REAR WINDOW DEFROST GRID GROUND


- Ignition OFF.
- Disconnect: Rear Window Defrost Grid Ground C402B (Coupe).
- Measure the resistance between rear window defrost grid ground C402B-1 (coupe), circuit GD109 (BK), harness side and ground; or between C402-2 (convertible), circuit GD110 (BK/WH), harness side and ground.




- Is the resistance less than 5 ohms?

Yes
CARRY OUT the Grid Wire Test Component Tests and General Diagnostics. REPAIR the rear window defrost grid or INSTALL a new rear window glass. REFER to Window Grid Wire Repair Window Grid Wire Repair. CLEAR the DTCs. TEST the system for normal operation.

No
REPAIR the circuit. TEST the system for normal operation.

-------------------------------------------------
D3 CHECK THE POWER TO THE RELAY


- Ignition OFF.
- Disconnect: Rear Window Defrost Relay.
- Ignition ON.
- Measure the voltage between rear window defrost relay socket pin 86, circuit CBB39 (VT/WH), harness side and ground; and between rear window defrost relay socket pin 30, circuit SBB06 (BN/RD), harness side and ground.




- Is the voltage greater than 10 volts for both measurements?

Yes
GO to D4.

No
VERIFY Battery Junction Box (BJB) fuse 6 (30A) and BJB fuse 39 (5A) are OK. If OK, REPAIR the circuit(s). CLEAR the DTCs. TEST the system for normal operation.

If not OK, REFER to the Wiring Diagrams to identify the possible causes of the circuit short. REPAIR the circuit. CLEAR the DTCs. TEST the system for normal operation. Diagrams By Number

-------------------------------------------------
D4 CHECK THE HVAC MODULE


- Start the engine.
- Activate the rear window defrost switch.

- NOTICE: The following step uses a test light to simulate normal circuit loads. Use only the test light recommended in the Special Tools table or equivalent. To avoid connector terminal damage, use the Flex Probe Kit for the test light probe connection to the vehicle. Do not use the test light probe directly on any connector.

- Connect a 12-volt incandescent test light between rear window defrost relay socket pin 85, circuit CH122 (WH/OG), harness side and rear window defrost relay socket pin 86, circuit CBB39 (VT/WH), harness side.




- Does the test light illuminate?

Yes
GO to D5.

No
GO to D6.

-------------------------------------------------
D5 CHECK THE REAR WINDOW DEFROST RELAY


- Carry out the rear window defrost relay component test.
Refer to Wiring Diagrams for component testing. Diagrams By Number

- Did the rear window defrost relay pass the component test?

Yes
REPAIR open in circuit CRD17 (GY). CLEAR the DTCs. TEST the system for normal operation.

No
INSTALL a new rear window defrost relay. CLEAR the DTCs. TEST the system for normal operation.

-------------------------------------------------
D6 CHECK THE REAR WINDOW DEFROST SWITCH (CC_SW_R_DEF) PID


- Ignition ON.
- Enter the following diagnostic mode on the scan tool: DataLogger - FCIM.
- Monitor the FCIM CC_SW_R_DEF PID while pressing and releasing the rear window defrost switch.
- Does the PID agree with the rear window defrost switch status?

Yes
GO to D7.

No
INSTALL a new FCIM. CLEAR the DTCs. TEST the system for normal operation.

-------------------------------------------------
D7 CHECK CIRCUIT CH122 (WH/OG) FOR AN OPEN


- Ignition OFF.
- Disconnect: HVAC module C294A.
- Measure the resistance between rear window defrost relay socket pin 85, circuit CH122 (WH/OG), harness side and HVAC module C294A-2, circuit CH122 (WH/OG), harness side.




- Is the resistance less than 5 ohms?

Yes
GO to D8.

No
REPAIR the circuit. CLEAR the DTCs. TEST the system for normal operation.

-------------------------------------------------
D8 CHECK FOR CORRECT HVAC MODULE OPERATION


- Disconnect all HVAC module electrical connectors.
- Check for:
- corrosion.
- pushed-out pins.
- Connect all HVAC module electrical connectors and make sure they seat correctly.
- Operate the system and verify the concern is still present.
- Is the concern still present?

Yes
INSTALL a new HVAC module. Service and Repair TEST the system for normal operation.

No
The system is operating correctly at this time. Concern may have been caused by a loose or corroded connector. CLEAR the DTCs. TEST the system for normal operation.

-------------------------------------------------