FREE REPAIR MANUALS & LABOR GUIDES 1982-2013 Vehicles
Courtesy of Operation CHARM: Car repair manuals for everyone.

Component Tests and General Diagnostics




Starting System

Component Tests

WARNING: Always disconnect the battery ground cable at the battery before disconnecting the starter motor battery terminal lead. If a tool is shorted at the starter motor battery terminal, the tool can quickly heat enough to cause a skin burn. Failure to follow this instruction may result in serious personal injury.

Always make the Fluke 77-IV Digital Multimeter connections at the component terminal rather than at the wiring end connector. Making a connection at the wiring end connector could result in false readings because the meter will not pick up a high resistance between the wiring connector and the component.


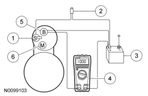
Starter Motor - Motor Feed Circuit

1. Make sure the battery is fully charged; carry out a Battery Condition Test. Refer to Battery, Mounting and Cables Testing and Inspection.

2. Connect a remote starter switch between the starter solenoid S-terminal and the battery positive (+) terminal.

3. Connect the Fluke 77-IV Digital Multimeter positive lead to the battery positive (+) post. Connect the negative lead to the starter solenoid M-terminal.











4. Engage the remote starter switch. Read and record the voltage. The voltage reading should be 0.5 volt or less.

5. If the voltage reading is 0.5 volt or less, go to the Starter Motor - Ground Circuit component test.

6. If the voltage reading is greater than 0.5 volt, this is an indication of excessive resistance in the connections, the positive battery cable or in the starter solenoid. Move the Fluke 77-IV Digital Multimeter negative lead to the starter solenoid B-terminal and repeat the test. If the voltage reading at the B-terminal is lower than 0.5 volt, the concern is either in the connections at the starter solenoid or in the solenoid contacts.











7. Remove the cables from solenoid B, S and M-terminals. Clean the cables and connections and reinstall the cables to the correct terminals. Repeat Steps 3 through 6. If the voltage drop reading is still greater than 0.5 volt when checked at the M-terminal and less than 0.5 volt when checked at the B-terminal, the concern is in the solenoid contacts. Install a new starter motor.

8. If the voltage reading taken at the solenoid B-terminal is still greater than 0.5 volt after cleaning the cables and connections at the solenoid, the concern is either in the positive (+) battery cable connection or in the positive battery cable itself.

9. Clean the positive (+) battery cable connection. If this does not solve the problem, install a new positive battery cable.


Starter Motor - Ground Circuit

A slow cranking condition can be caused by resistance in the ground or return portion of the cranking circuit. Check the voltage drop in the ground circuit as follows:

1. Connect the Fluke 77-IV Digital Multimeter positive lead to the starter motor housing (the connection must be clean and free of rust or grease). Connect the negative lead to the negative (-) battery terminal.

2. Engage the remote starter switch and crank the engine. Read and record the voltage reading. The reading should be 0.5 volt or less.

3. If the voltage drop is more than 0.5 volt, clean the negative cable connections at the battery, the body ground connections and the starter ground connection. Retest.

4. If the voltage drop is greater than 0.5 volt, install a new cable. If the voltage reading is less than 0.5 volt and the engine still cranks slowly, install a new starter motor.INSTALL a new starter motor. REFER to Starter Motor - 3.7L Service and Repair or Starter Motor - 5.0L (4V) Service and Repair or Starter Motor - 5.4L (4V) Service and Repair. TEST the system for normal operation.