FREE REPAIR MANUALS & LABOR GUIDES 1982-2013 Vehicles
Courtesy of Operation CHARM: Car repair manuals for everyone.

Pinpoint Test AF: No Power To The Scan Tool




Communications Network

Pinpoint Test AF: No Power To The Scan Tool

Refer to Wiring Diagram Set 14 (Fusion/Milan/MKZ, Fusion Hybrid, Milan Hybrid, MKZ Hybrid), Module Communications Network for schematic and connector information. Diagrams By Number

Normal Operation

The scan tool is connected to the Data Link Connector (DLC) to communicate with the High Speed Controller Area Network (HS-CAN) and the Medium Speed Controller Area Network (MS-CAN) communications network.

A loss of ground or poor ground at the DLC may result in HS-CAN or MS-CAN faults while the scan tool is connected.

This pinpoint test is intended to diagnose the following:

- Fuse
- Wiring, terminals or connectors
- Scan tool


PINPOINT TEST AF: NO POWER TO THE SCAN TOOL

NOTE: Failure to disconnect the battery when instructed will result in false resistance readings. Refer to Battery, Mounting and Cables Battery Disconnect.

-------------------------------------------------
AF1 CHECK THE DLC PINS FOR DAMAGE

NOTE: Most faults are due to connector and/or wiring concerns. Carry out a thorough inspection and verification before proceeding with the pinpoint test. Inspection and Verification

- Disconnect the scan tool cable from the DLC.
- Inspect DLC pins 4, 5 and 16 for damage.




- Are DLC pins 4, 5 and 16 OK?

Yes
GO to AF2.

No
REPAIR the DLC as necessary. CLEAR the DTCs. REPEAT the network test with the scan tool.

-------------------------------------------------
AF2 CHECK THE DLC VOLTAGE SUPPLY FOR AN OPEN

- Measure the voltage between the DLC C251-16, circuit SBP20 (GN/RD), harness side and ground.




- Is the voltage greater than 10 volts?

Yes
GO to AF3.

No
VERIFY the Smart Junction Box (SJB) fuse 20 (15A) is OK. If OK, REPAIR the circuit. REPEAT the network test with the scan tool.

-------------------------------------------------
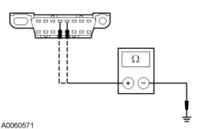
AF3 CHECK THE DLC GROUND CIRCUITS FOR AN OPEN

- Disconnect: Negative Battery Cable .
- Measure the resistance between the DLC C251-4, circuit GD116 (BK/VT), harness side and ground; and between the DLC C251-5, circuit GD116 (BK/VT), harness side and ground.




- Are the resistances less than 5 ohms?

Yes
CONNECT the negative battery cable. REPAIR the scan tool. REPEAT the network test with the scan tool.

No
CONNECT the negative battery cable. REPAIR the circuit in question. REPEAT the network test with the scan tool.

-------------------------------------------------