FREE REPAIR MANUALS & LABOR GUIDES 1982-2013 Vehicles
Courtesy of Operation CHARM: Car repair manuals for everyone.

Ignition Coil: Service and Repair

IGNITION COIL-ON-PLUG


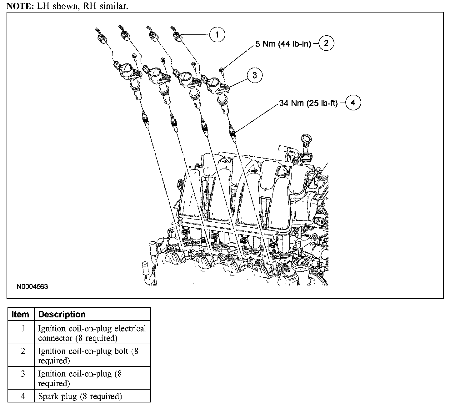
Engine Ignition Components - Exploded View:






Exploded View

Removal and Installation
1. Disconnect the battery ground cable.
2. Disconnect the ignition coil electrical connectors.
3. Remove the ignition coil bolts.
- To install, tighten to 5 Nm (44 lb-in).

4. NOTE: When removing the ignition coils, a slight twisting motion will break the seal and ease removal.

Remove the ignition coils.

5. To install, reverse the removal procedure.
- Apply a light film of silicone brake caliper grease and dielectric compound to the inside of the coil boots before installation.