FREE REPAIR MANUALS & LABOR GUIDES 1982-2013 Vehicles
Courtesy of Operation CHARM: Car repair manuals for everyone.

Camshaft Position Sensor: Service and Repair

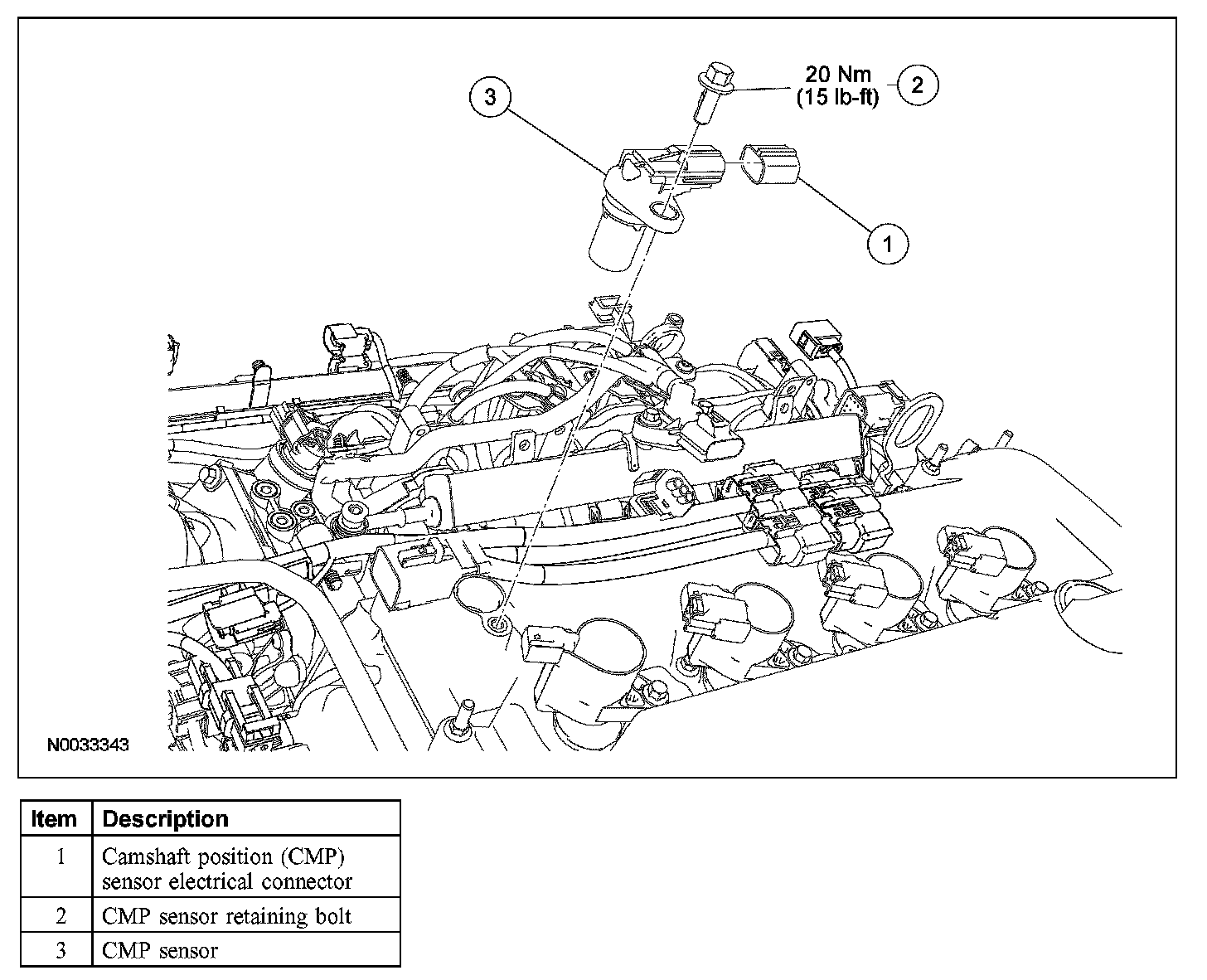
CAMSHAFT POSITION (CMP) SENSOR







Removal and Installation
1. Disconnect the battery ground cable.
2. Disconnect the camshaft position (CMP) sensor electrical connector.
3. Remove the bolt and the CMP sensor.
- To install, tighten to 20 Nm (15 lb-ft).

4. NOTE: Lubricate the O-ring with clean engine oil.

To install, reverse the removal procedure.