FREE REPAIR MANUALS & LABOR GUIDES 1982-2013 Vehicles
Courtesy of Operation CHARM: Car repair manuals for everyone.

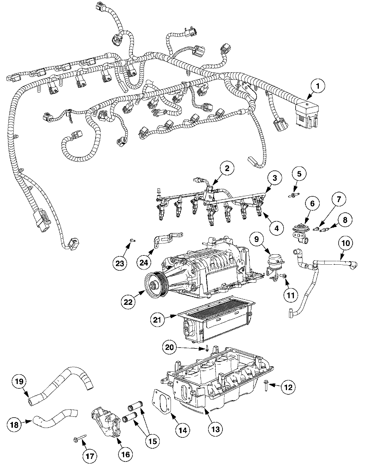
Engine

Part 1 Of 20:



Part 2 Of 20:



Part 3 Of 20:



Part 4 Of 20:



Part 5 Of 20:



Part 6 Of 20:



Part 7 Of 20:



Part 8 Of 20:



Part 9 Of 20:



Part 10 Of 20:



Part 11 Of 20:



Part 12 Of 20:



Part 13 Of 20:



Part 14 Of 20:



Part 15 Of 20:



Part 16 Of 20:



Part 17 Of 20:



Part 18 Of 20:



Part 19 Of 20:



Part 2 Of 20: