FREE REPAIR MANUALS & LABOR GUIDES 1982-2013 Vehicles
Courtesy of Operation CHARM
:
Car repair manuals for everyone.
Home
>>
Ford
>>
2004
>>
Focus L4-2.3L VIN Z
>>
Repair and Diagnosis
>>
Diagrams
>>
Exploded Views
>>
Engine
>>
Cylinder Head
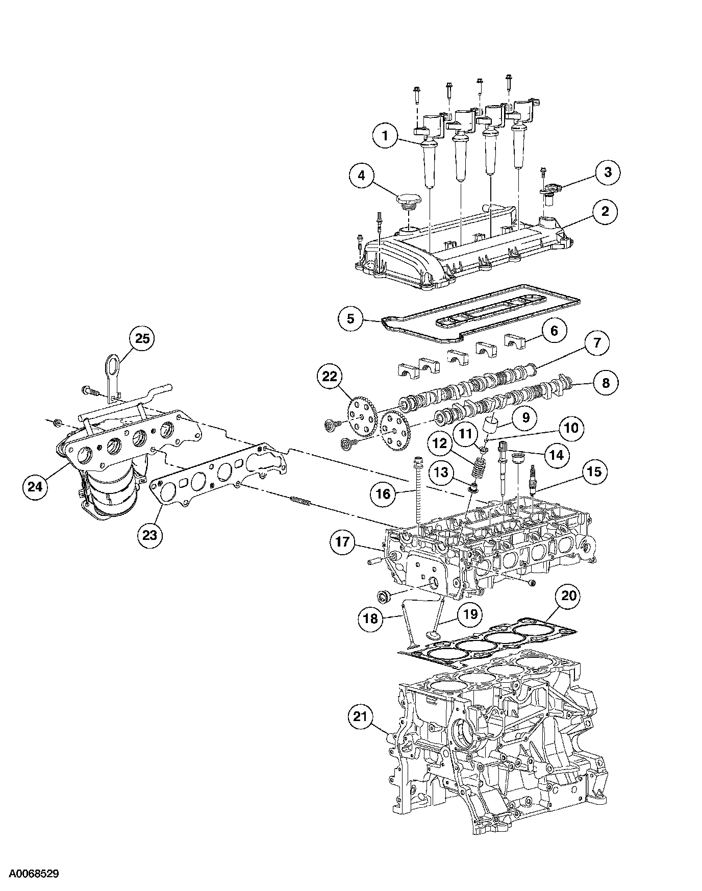
Cylinder Head
Part 1 Of 2:
Part 2 Of 2: