FREE REPAIR MANUALS & LABOR GUIDES 1982-2013 Vehicles
Courtesy of Operation CHARM: Car repair manuals for everyone.

General Module

DETAILED DIAGRAMS


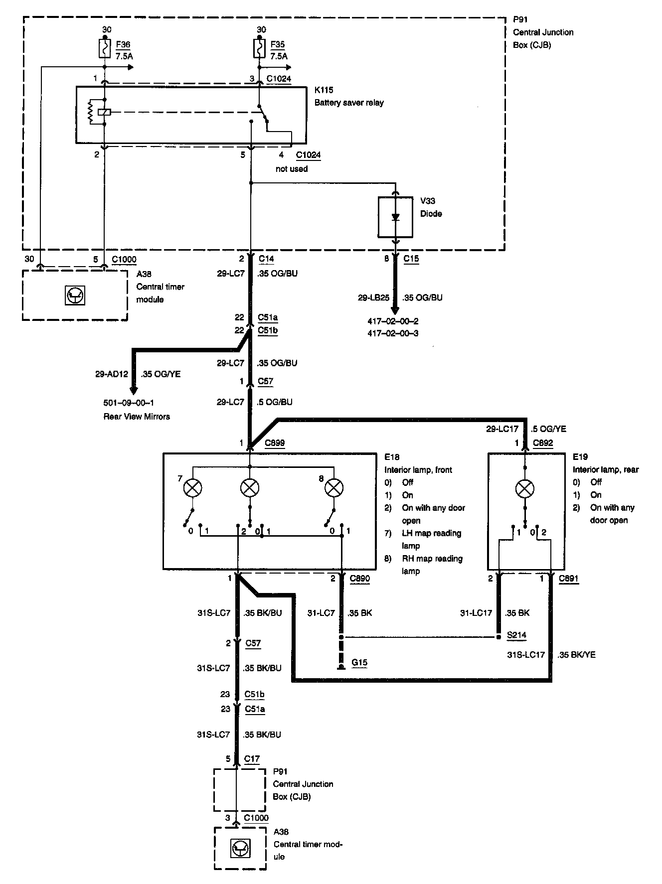
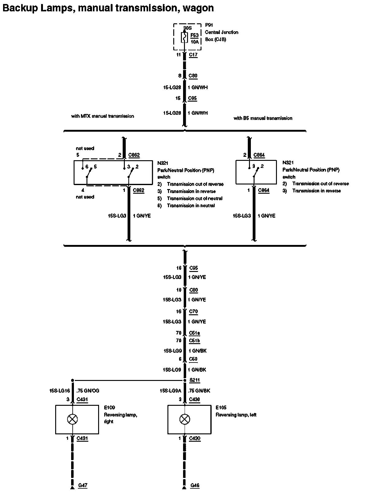
Diagram 419-10-00-1:






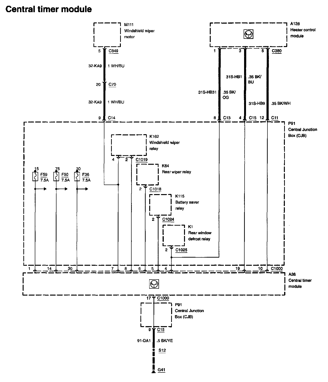
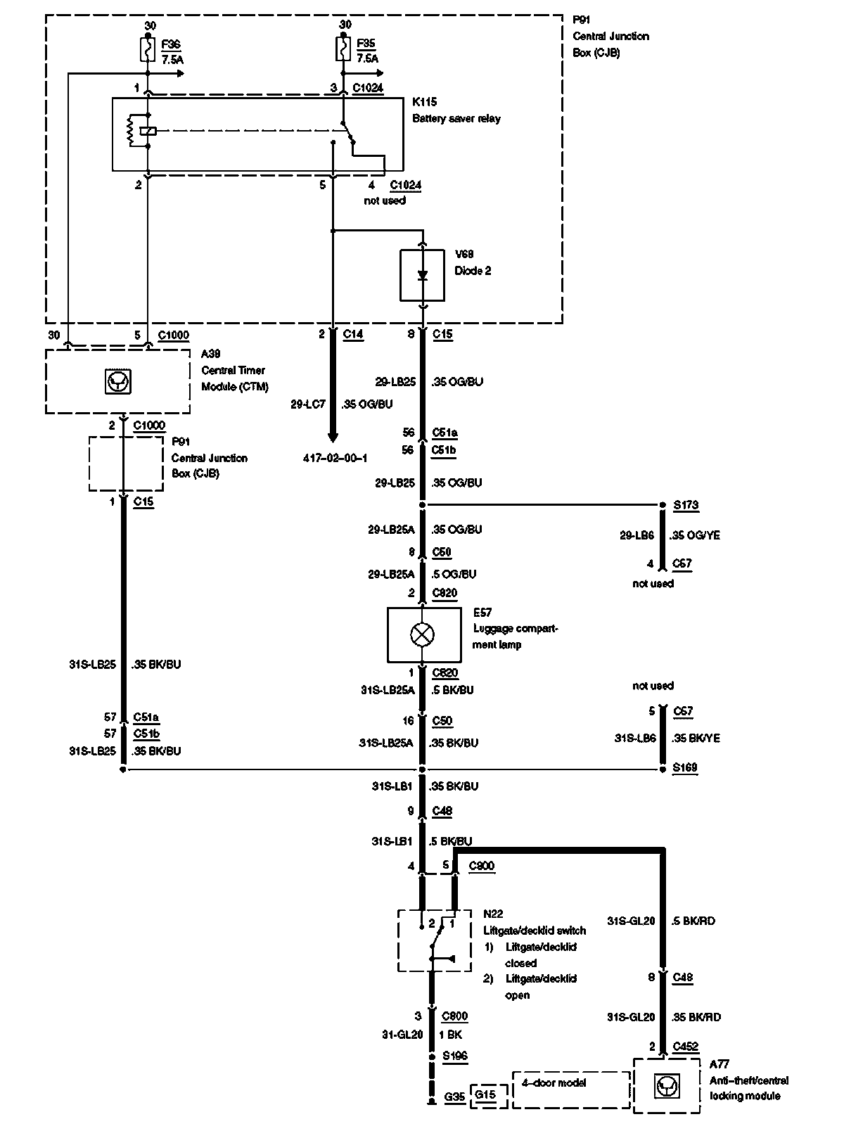
Diagram 419-10-00-2:






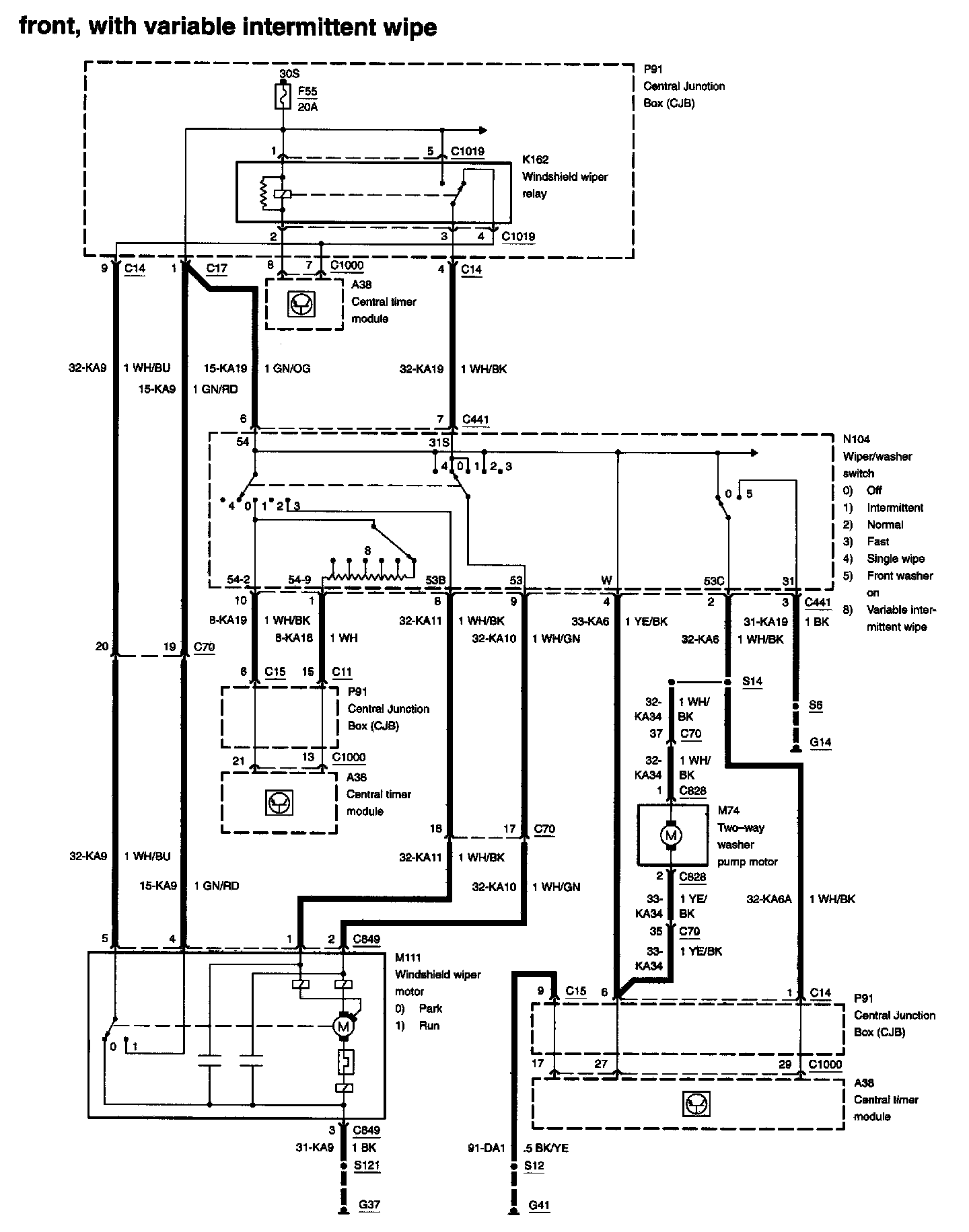
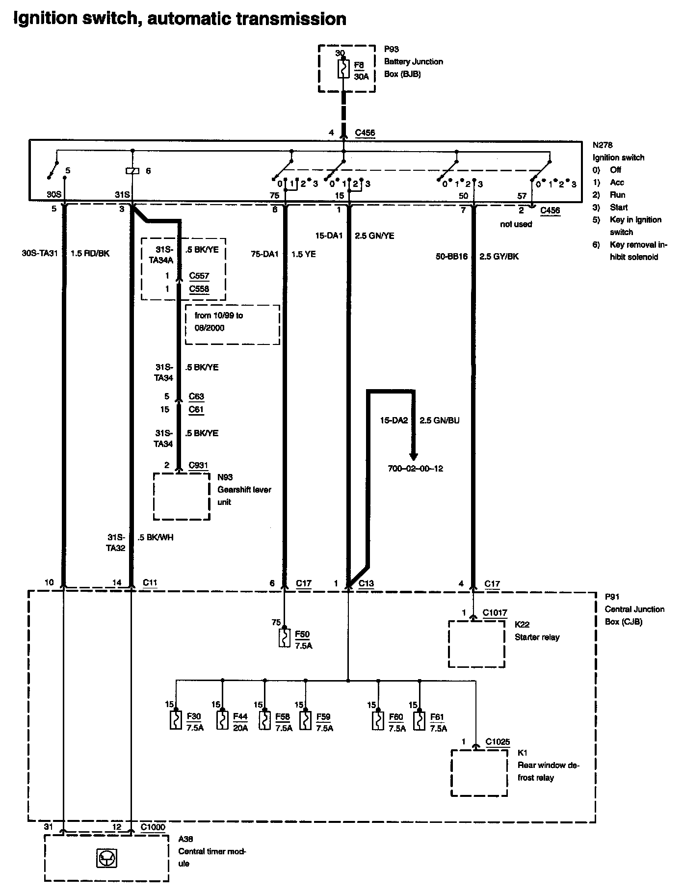
Diagram 419-10-00-3:






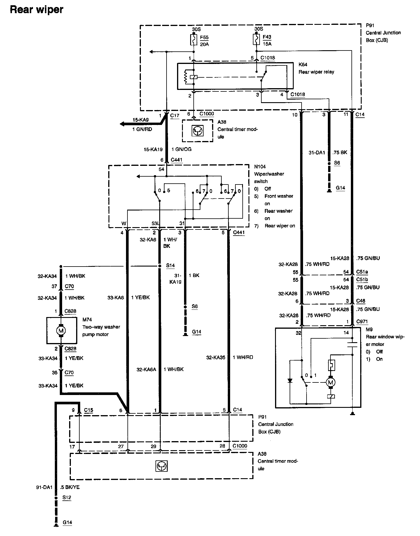
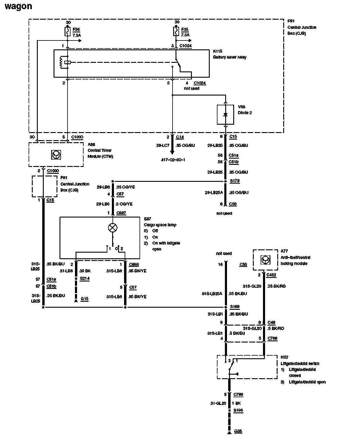
Diagram 419-10-00-4:






RELATED DIAGRAMS


Diagram 417-01-00-19 (wagon):






Diagram 417-02-00-1:






Diagram 417-02-00-2:






Diagram 417-02-00-3:






Diagram 417-02-00-4:






Diagram 418-00b-00-1:






Diagram 501-16-00-2:






Diagram 501-16-00-3:






Diagram 700-02-00-11: