FREE REPAIR MANUALS & LABOR GUIDES 1982-2013 Vehicles
Courtesy of Operation CHARM
:
Car repair manuals for everyone.
Home
>>
Ford
>>
1998
>>
Mustang V6-3.8L VIN 4
>>
Repair and Diagnosis
>>
Diagrams
>>
Exploded Views
>>
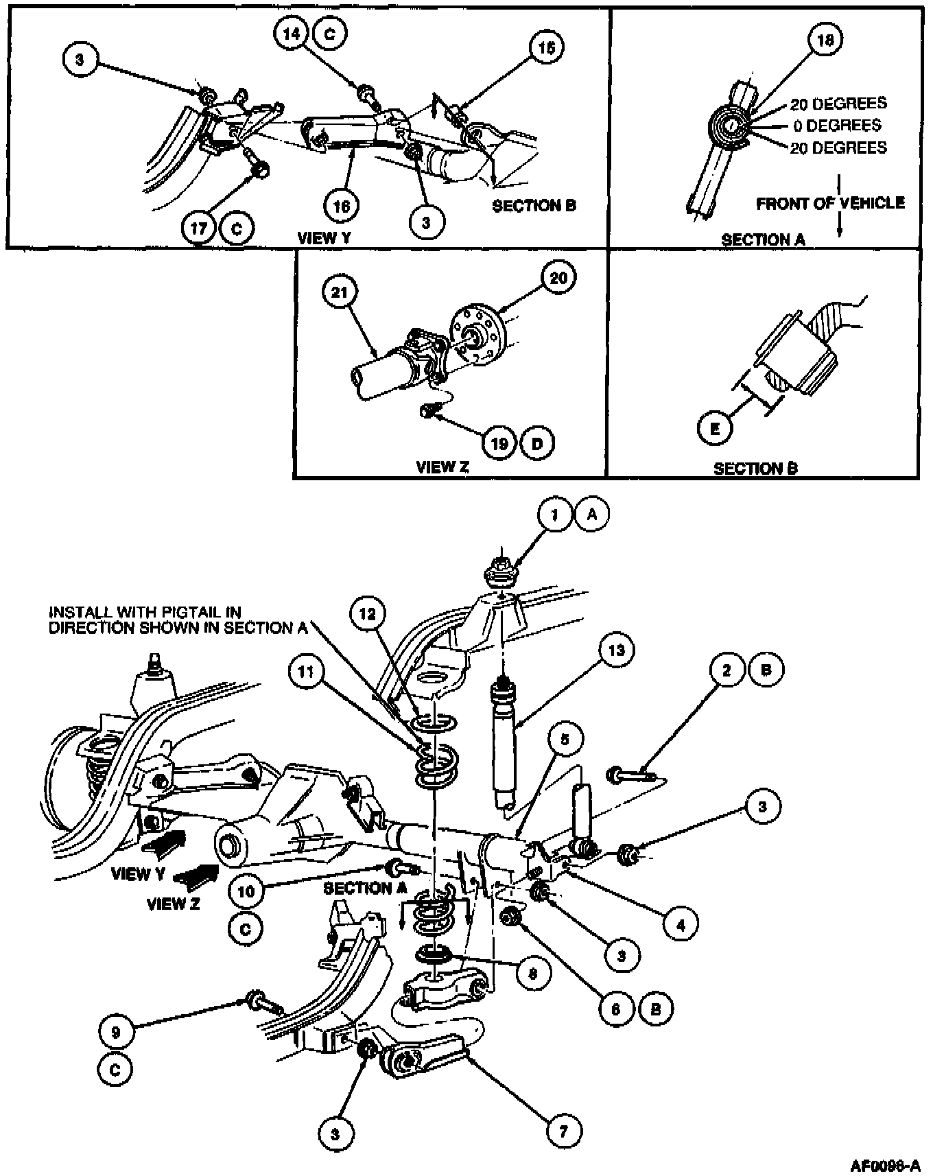
Suspension
Suspension
Part 1 Of 2:
Part 2 Of 2: