FREE REPAIR MANUALS & LABOR GUIDES 1982-2013 Vehicles
Courtesy of Operation CHARM: Car repair manuals for everyone.

Engine Views

Engine View:





ANTI-LOCK POWER RELAY
DAYTIME RUNNING LAMPS MODULE
FUEL INJECTORS
GROUND BUS
HORN RELAY
LEFT PRIMARY CRASH SENSOR
MASS AIR FLOW SENSOR
POWER DISTRIBUTION BOX
RADIO NOISE CAPACITOR
RIGHT PRIMARY CRASH SENSOR
SPEED CONTROL AMPLIFIER

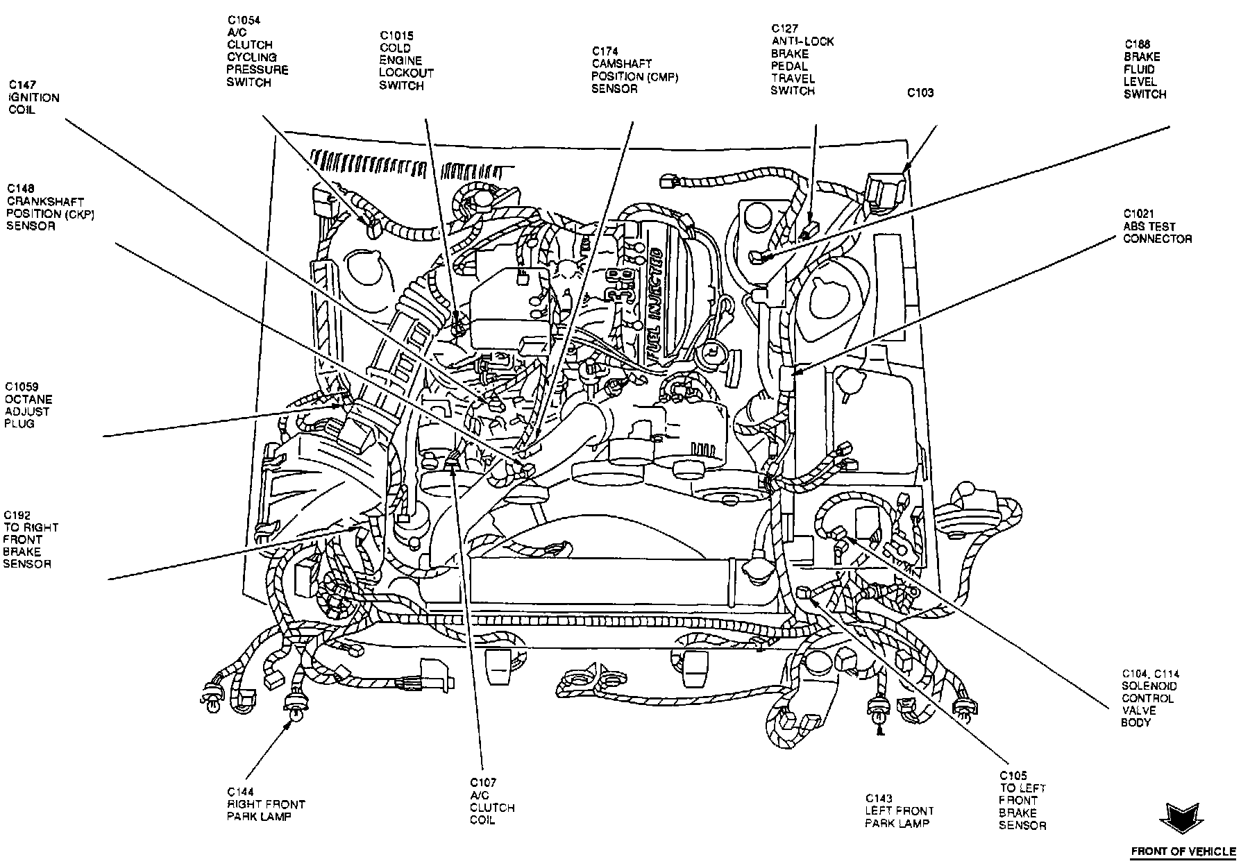
Engine View:





A/C CLUTCH COIL
A/C CLUTCH CYCLING PRESSURE SWITCH
ANTI-LOCK BRAKE PEDAL TRAVEL SWITCH
ANTI-LOCK BRAKE SYSTEM TEST CONNECTOR
BRAKE FLUID LEVEL SWITCH
CAMSHAFT POSITION SENSOR
COLD ENGINE LOCKOUT SWITCH
CRANKSHAFT POSITION SENSOR
IGNITION COIL
LEFT FRONT BRAKE SENSOR
LEFT FRONT PARK LAMP
OCTANE ADJUST PLUG
RIGHT FRONT BRAKE SENSOR
RIGHT FRONT PARK LAMP
SOLENOID CONTROL VALVE BODY

Engine View:





ANTI-LOCK BRAKE FLUID LEVEL SWITCH
ANTI-LOCK BRAKE CONTROL MODULE
ANTI-LOCK PUMP MOTOR RELAY
CONSTANT CONTROL RELAY MODULE
EGR VACUUM REGULATOR SOLENOID
ENGINE COOLANT LEVEL SENSOR
ENGINE COOLANT TEMPERATURE SENDER
ENGINE COOLANT TEMPERATURE SENSOR
ENGINE OIL PRESSURE SWITCH
EVAPORATIVE EMISSION PURGE FLOW SENSOR
HEATED OXYGEN SENSOR #1
HEATED OXYGEN SENSOR #2
HIGH PITCH HORN
INTAKE AIR TEMPERATURE SENSOR
LOW PITCH HORN
THROTTLE POSITION SENSOR

Engine View:





A/C HIGH PRESSURE CUTOUT/FAN SWITCH
AUTOMATIC TEMPERATURE CONTROL AMBIENT TEMPERATURE SENSOR
ENGINE COOLING FAN MOTOR
EVAPORATIVE EMISSIONS CANISTER PURGE VALVE
GENERATOR/VOLTAGE REGULATOR
IDLE AIR CONTROL VALVE
LEFT FRONT PARK/TURN LAMP
LEFT HEADLAMP
PRESSURE FEEDBACK EGR SENSOR
RIGHT FRONT PARK/TURN LAMP
RIGHT HEADLAMP
WASHER FLUID LEVEL SENSOR
WASHER MOTOR
WINDSHIELD WIPER MOTOR