FREE REPAIR MANUALS & LABOR GUIDES 1982-2013 Vehicles
Courtesy of Operation CHARM
:
Car repair manuals for everyone.
Home
>>
Ford
>>
1997
>>
Mustang V6-3.8L VIN 4
>>
Repair and Diagnosis
>>
Diagrams
>>
Exploded Views
>>
Engine
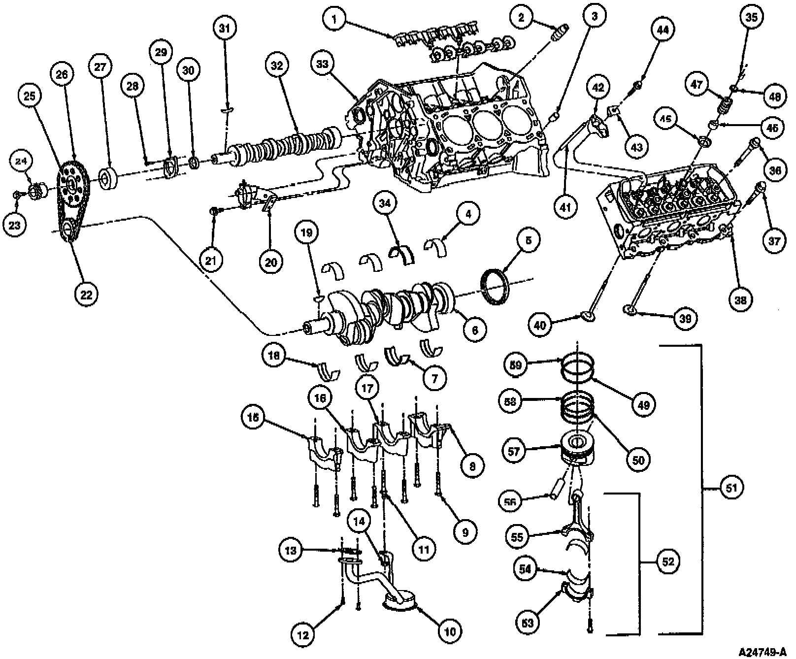
Engine
Part 1 Of 8:
Part 2 Of 8:
Part 3 Of 8:
Part 4 Of 8:
Part 5 Of 8:
Part 6 Of 8:
Part 7 Of 8:
Part 8 Of 8: