FREE REPAIR MANUALS & LABOR GUIDES 1982-2013 Vehicles
Courtesy of Operation CHARM: Car repair manuals for everyone.

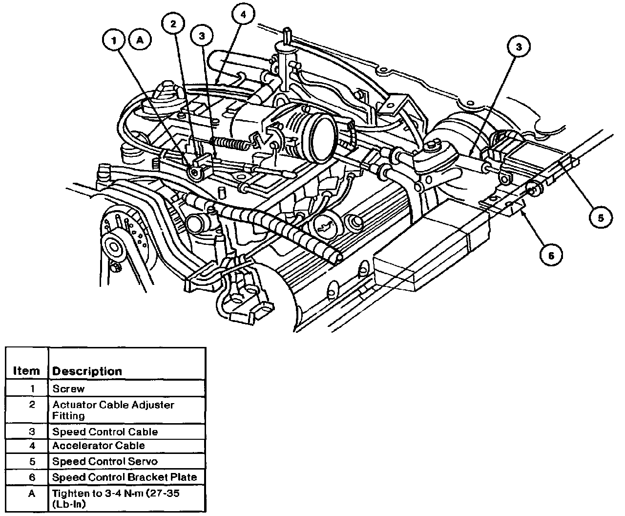
Cruise Control Servo Cable: Service and Repair

REMOVAL
1. Remove nut and two clamps retaining air cleaner outlet tube.
2. Remove screw retaining speed control cable to accelerator cable bracket.







3. Disconnect speed control cable from accelerator cable from the throttle body lever by lifting at location shown.
4. Remove speed control cable cap from the speed control servo by depressing cap locking arm and rotating the cap counterclockwise.







5. Remove speed control actuator cable slug from speed control servo pulley. Gently push actuator cable slug past retaining spring using a small screwdriver.

INSTALLATION







1. Make sure that rubber seal is fully seated onto speed control actuator cable cap.
2. Lock speed control actuator cable ball slug into speed control servo pulley slot.

NOTE: Incorrect wrapping of speed control actuator cable core wire around speed control servo pulley may result in a high idle condition. Make sure that throttle lever is at idle position after speed control cable installation and adjustment.

3. Pull on throttle body end of speed control actuator cable to draw cable cap onto speed control servo pulley.
4. Align speed control actuator cable cap tabs with slots in speed control servo housing. Insert cap into the speed control servo and rotate clockwise until the locking arm engages.
5. Route speed control actuator cable between power brake booster and brake master cylinder reservoir. Position speed control actuator cable into retaining clips.
6. Snap speed control actuator cable onto throttle body lever and install screw at accelerator cable bracket. Tighten to 3-4 N.m (27-35 Lb-In).
7. Check speed control actuator cable adjustment.
8. Connect air cleaner outlet tube and hose.