FREE REPAIR MANUALS & LABOR GUIDES 1982-2013 Vehicles
Courtesy of Operation CHARM
:
Car repair manuals for everyone.
Home
>>
Ford
>>
1993
>>
Probe V6-152 2.5L DOHC
>>
Repair and Diagnosis
>>
Powertrain Management
>>
Ignition System
>>
Diagrams
>>
Electrical Diagrams
>>
Function Diagrams
Function Diagrams
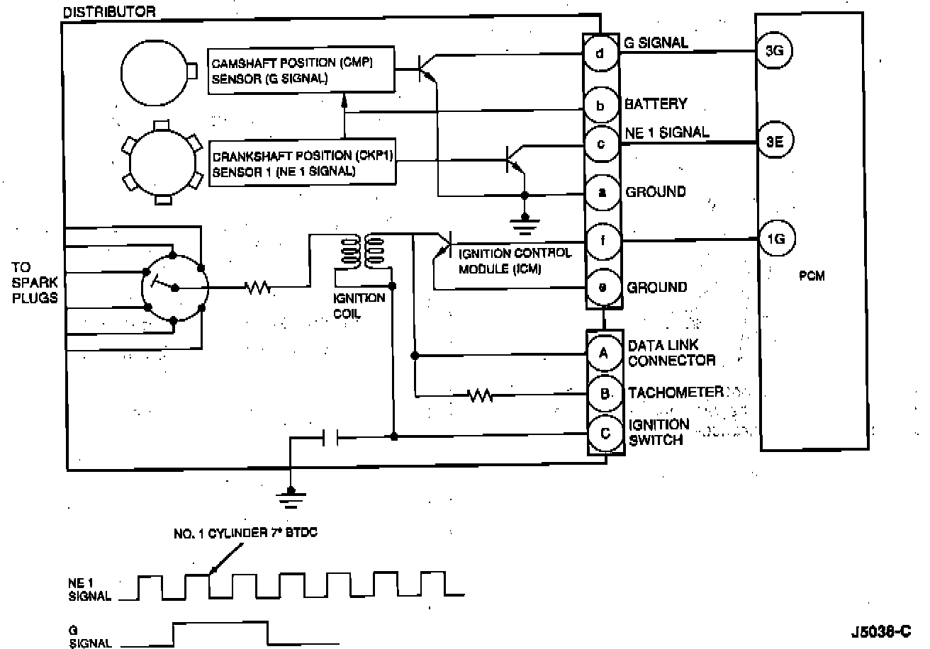
Ignition System Block Diagram: