FREE REPAIR MANUALS & LABOR GUIDES 1982-2013 Vehicles
Courtesy of Operation CHARM
:
Car repair manuals for everyone.
Home
>>
Ford
>>
1993
>>
Mustang V8-302 5.0L HO
>>
Repair and Diagnosis
>>
Diagrams
>>
Exploded Views
>>
Dashboard / Instrument Panel
Dashboard / Instrument Panel
Front View:
Rear View:
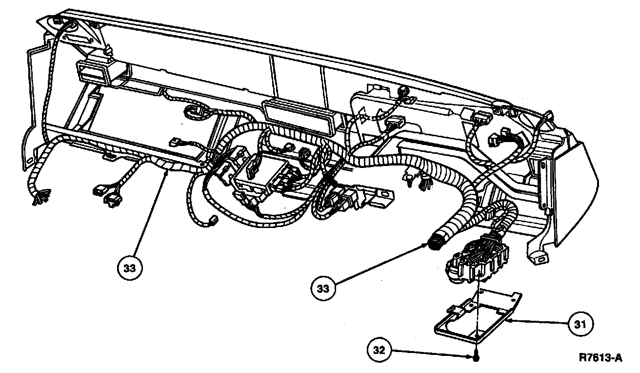
Harness Installation:
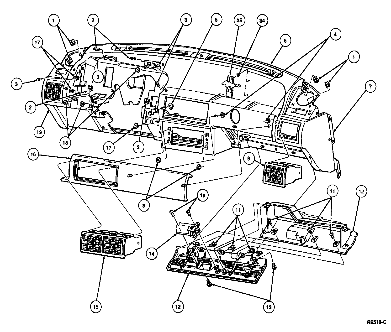
Component Index: