FREE REPAIR MANUALS & LABOR GUIDES 1982-2013 Vehicles
Courtesy of Operation CHARM
:
Car repair manuals for everyone.
Home
>>
Ford Truck
>>
2003
>>
Excursion 2WD V10-6.8L VIN S
>>
Repair and Diagnosis
>>
Diagrams
>>
Exploded Views
>>
Suspension
>>
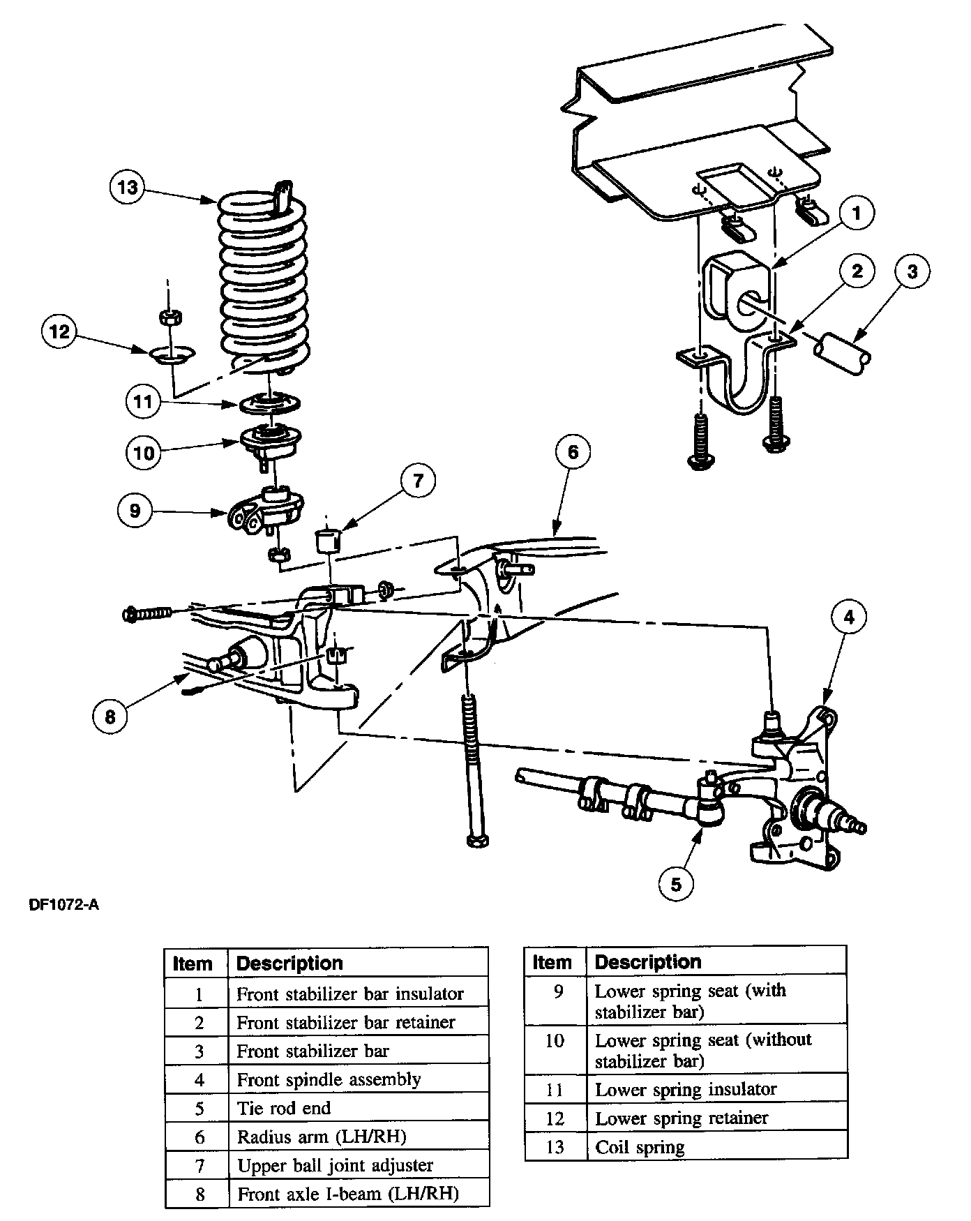
Front
Front
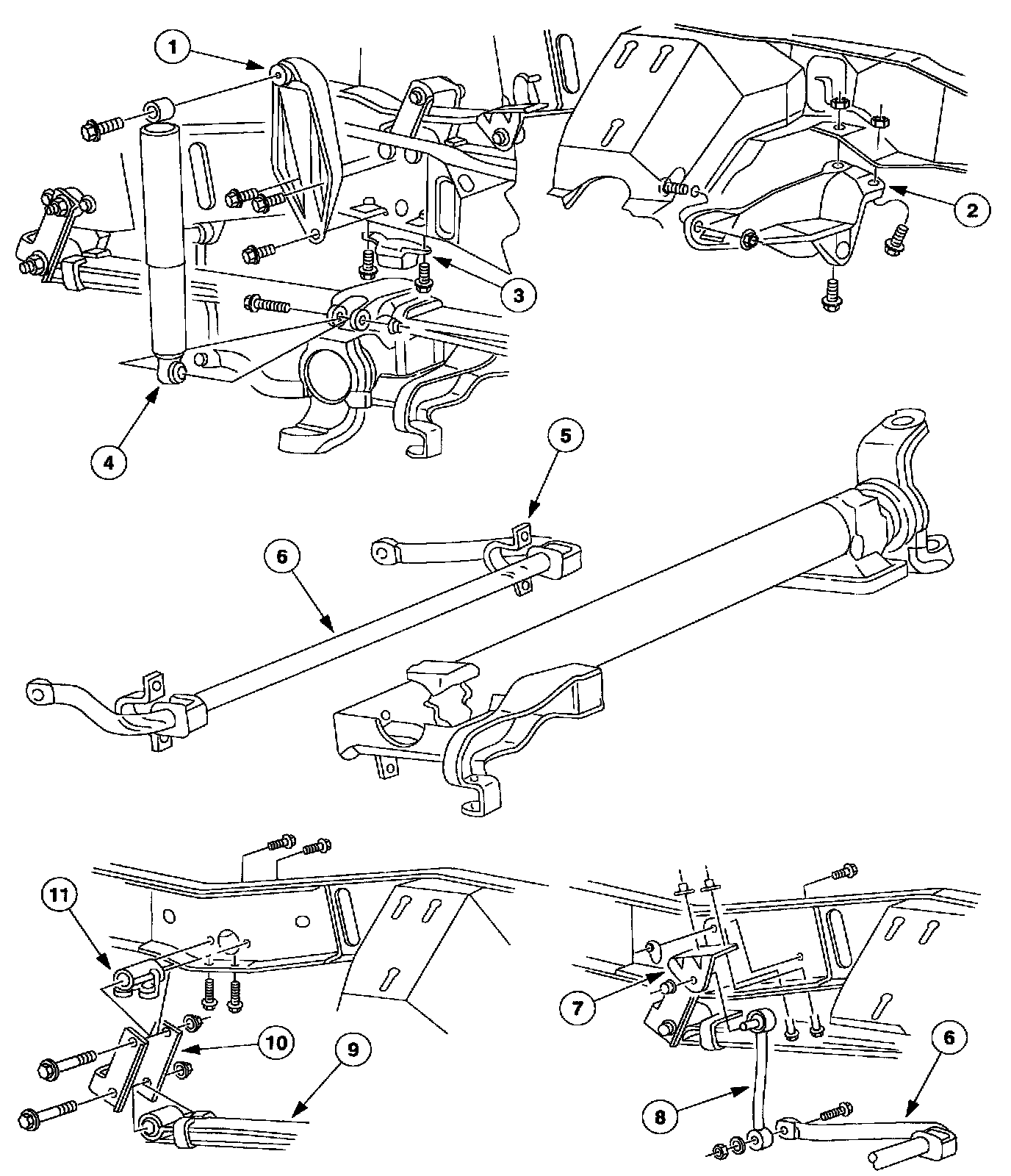
Part 1 Of 4:
Part 2 Of 4:
Part 3 Of 4:
Part 4 Of 4:
Front
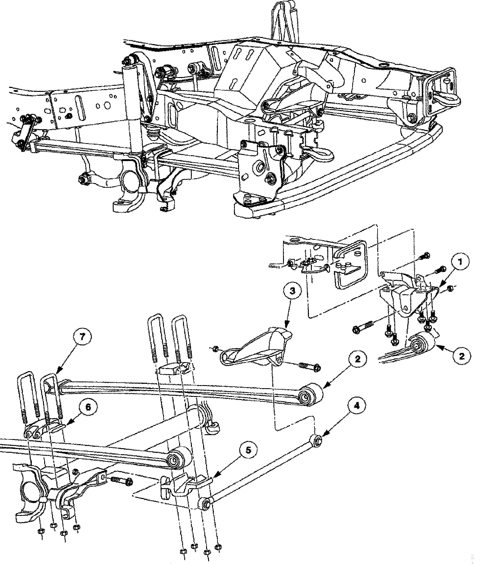
Suspension
Components-F-250, F-350
Part 1 Of 2:
Part 2 Of 2:
Front
Suspension
Components-F-450, F-550