FREE REPAIR MANUALS & LABOR GUIDES 1982-2013 Vehicles
Courtesy of Operation CHARM
:
Car repair manuals for everyone.
Home
>>
Ford Truck
>>
2003
>>
Excursion 2WD V10-6.8L VIN S
>>
Repair and Diagnosis
>>
Diagrams
>>
Exploded Views
>>
Automatic Transmission/Transaxle
>>
4R100
>>
Disassembled Views
Disassembled Views
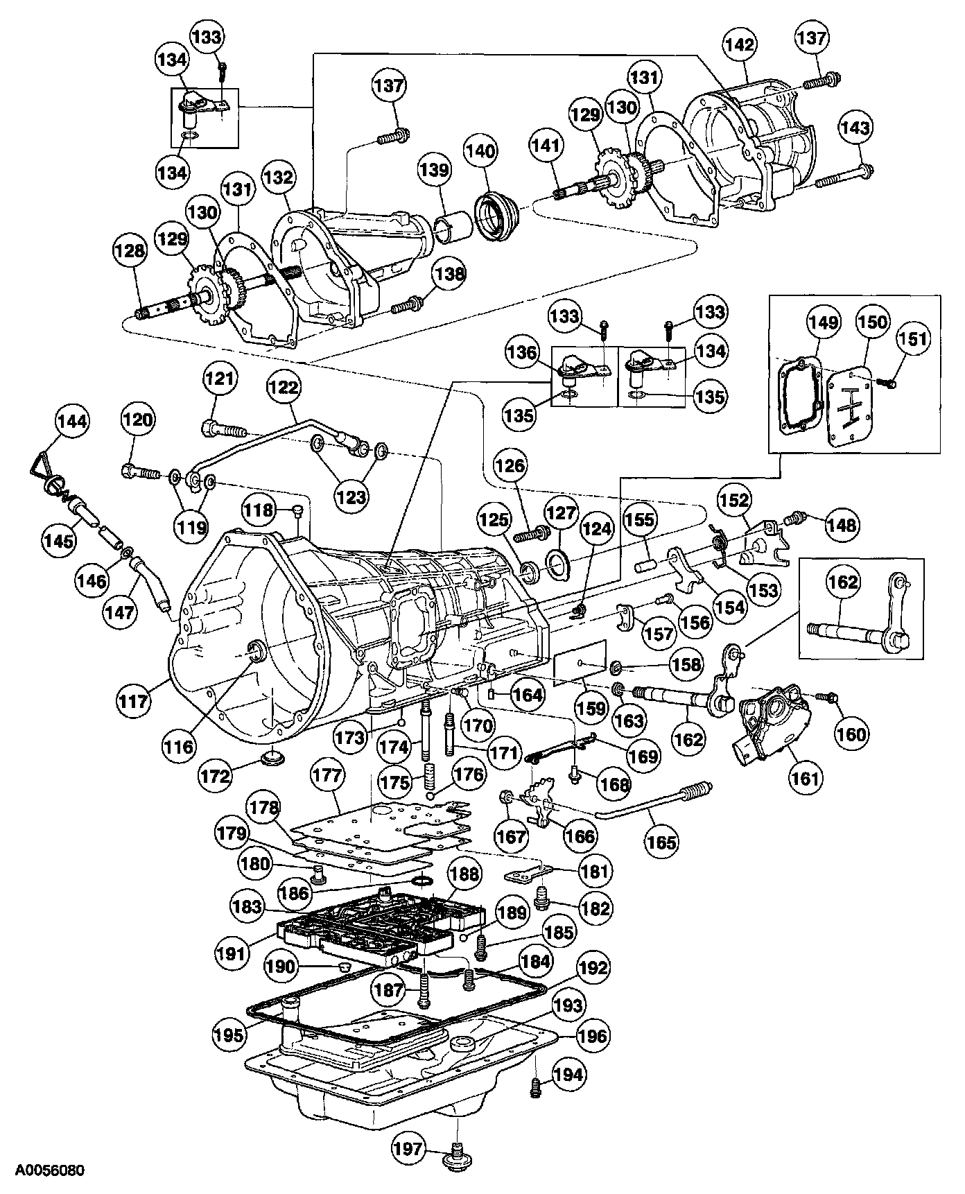
Transmission, Disassembled View
Part 1 Of 9:
Part 2 Of 9:
Part 3 Of 9:
Part 4 Of 9:
Part 5 Of 9:
Part 6 Of 9:
Part 7 Of 9:
Part 8 Of 9:
Part 9 Of 9: