Power Transistor & Ignition Coil
Ignition Coil And Power Transistor:
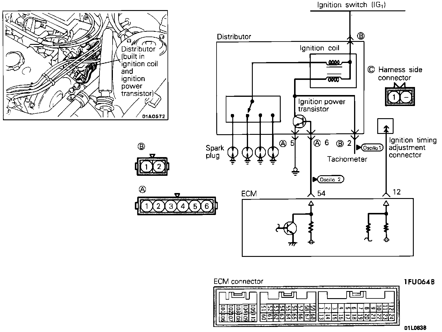
Note: To test the Power Transistor / Ignition Coil, located in the distributor, use an analog type circuit tester and proceed as follows:
COMPONENT TEST
1. Disconnect the electrical connector to the Power Transistor.
Power Transistor Test:
2. Connect the positive lead of an ohmmeter to terminal # 5 of the Power Transistor.
3. Connect the negative lead of the ohmmeter to terminal # 8 of the Power Transistor.
Continuity should NOT exist.
4. Connect the negative lead of a 1.5 volt battery to terminal # 5 of the Power Transistor.
5. Check for continuity when the positive lead of the battery is connected to terminal # 6 of the Power Transistor.
Continuity should exist during connection.
Primary Ignition Coil Signal Pattern:
OSCILLOSCOPE TEST
1. Run engine at idle speed.
2. Connect the scope probe to pick-up point #1 shown in the system schematic diagram and compare the primary ignition coil signal to the pattern shown.
Power Transistor Control Signal Pattern:
3. Run engine at idle speed.
4. Connect the scope probe to pick-up point #2 shown in the system schematic diagram and compare the power transistor control signal to the pattern shown.
If scope patterns are not as depicted in images, continue with the rest of the test procedures before replacing the assembly.
HARNESS TEST
1. Disconnect the Power transistor connectors.
2. Measure the voltage between terminal 6 and ground.
Voltage: 2 - 6 volts
3. Measure the voltage between the ignition timing adjustment connector and ground.
Voltage: 4.0 - 5.2 volts