FREE REPAIR MANUALS & LABOR GUIDES 1982-2013 Vehicles
Courtesy of Operation CHARM: Car repair manuals for everyone.

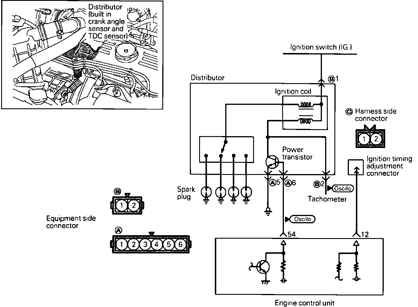
Ignition Control Module: Description and Operation

Ignition Coil And Power Transistor Circuit:






LOCATION
The power transistor is located on the intake manifold.

PURPOSE
The power transistor controls ignition current by interrupting the ignition coil primary ground causing secondary circuit discharge.

OPERATION
The ECU controls ignition timing through the power transistor. The power transistor is a type of switch that allows a very low voltage (from the ECU) to control a larger amount of voltage (negative side of coil). During engine cranking, the ignition timing is fixed at 5°BTDC