FREE REPAIR MANUALS & LABOR GUIDES 1982-2013 Vehicles
Courtesy of Operation CHARM
:
Car repair manuals for everyone.
Home
>>
Eagle
>>
1992
>>
Premier V6-182 3.0L SOHC
>>
Repair and Diagnosis
>>
Powertrain Management
>>
Computers and Control Systems
>>
Throttle Position Sensor
>>
Locations
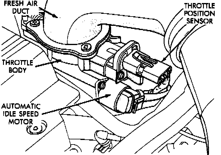
Throttle Position Sensor: Locations
Throttle Position Sensor (TPS)/Automatic Idle Speed (AIS) Motor: