FREE REPAIR MANUALS & LABOR GUIDES 1982-2013 Vehicles
Courtesy of Operation CHARM: Car repair manuals for everyone.

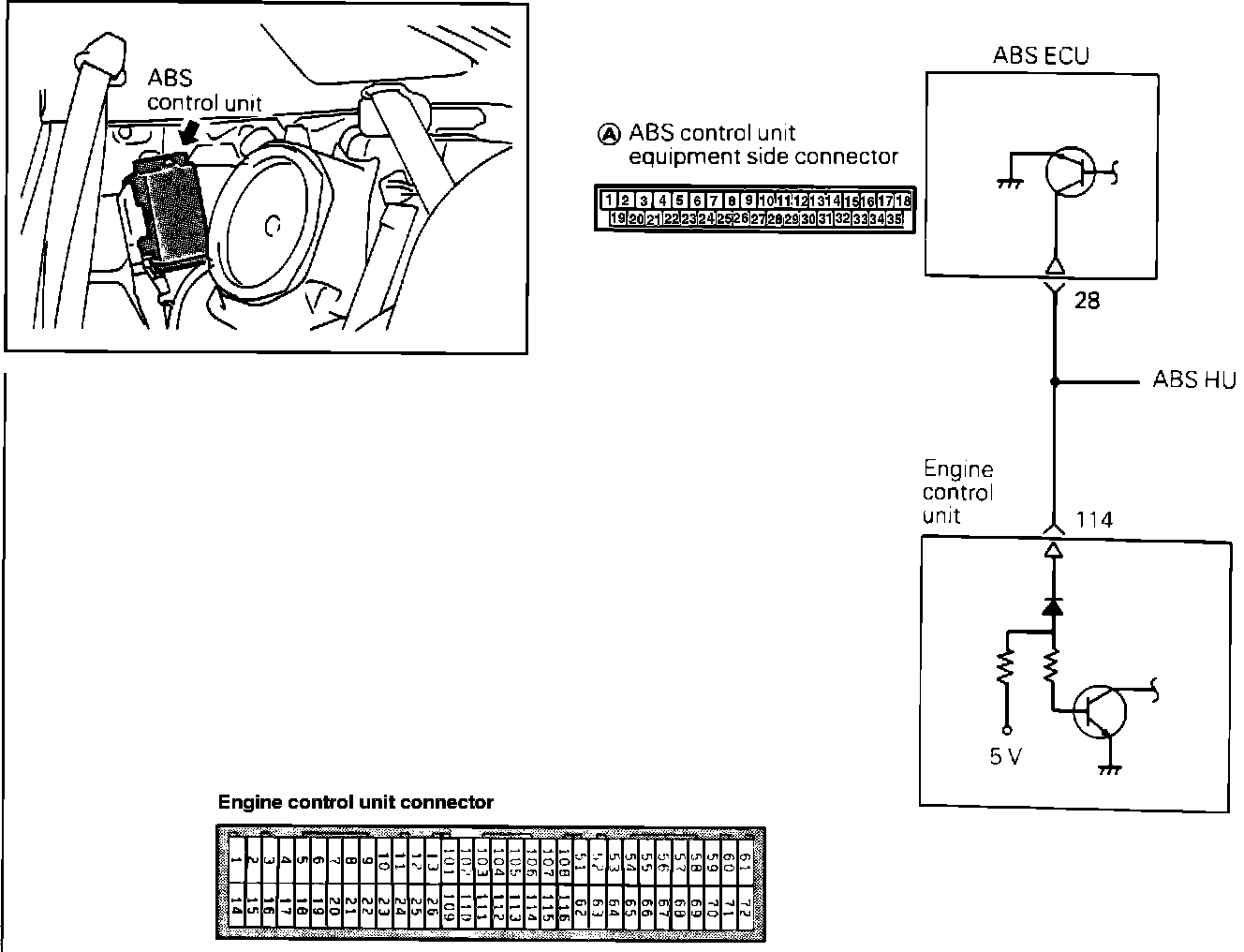
Anti-Lock Brake Signal

Anti-lock Brake Signal Circuit:





PURPOSE
The anti-lock brake signal is provided to the Engine Control Module (ECM) to control idle speed and increase braking effect.

LOCATION
The anti-lock Brake Module is located behind the RH rear side panel.

OPERATION
The ECM provides the ABS control module with a 5 Volt reference signal. The ECM monitors this signal. When the ABS control module determines that brake control is needed, the ABS control module completes the ground circuit from the ECM. When this voltage drop is detected by the ECM, the ECM operates the idle speed control servo to provide effective anti-lock braking.