FREE REPAIR MANUALS & LABOR GUIDES 1982-2013 Vehicles
Courtesy of Operation CHARM
:
Car repair manuals for everyone.
Home
>>
Dodge
>>
1990
>>
Monaco V6-182 3.0L SOHC
>>
Repair and Diagnosis
>>
Powertrain Management
>>
Computers and Control Systems
>>
Data Link Connector
>>
Locations
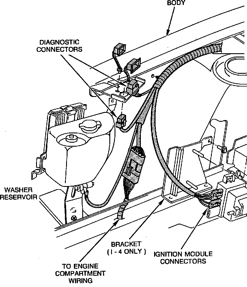
Data Link Connector: Locations
Diagnostic Connector Locations:
The two Diagnostic Connectors are found on the right side of the engine compartment, next to the washer reservoir, and are protected by yellow plastic covers.