FREE REPAIR MANUALS & LABOR GUIDES 1982-2013 Vehicles
Courtesy of Operation CHARM: Car repair manuals for everyone.

Alignment: Description and Operation

WHEEL ALIGNMENT

DESCRIPTION

CAUTION: Never attempt to modify suspension or steering components by heating or bending.

CAUTION: Components attached with a nut and cotter pin must be torqued to specification. Then if the slot in the nut does not line up with the cotter pin hole, tighten nut until it is aligned. Never loosen the nut to align the cotter pin hole.

NOTE: Periodic lubrication of the front suspension/steering system components may be required. Rubber bushings must never be lubricated.

NOTE: Vehicles are delivered from the factory with pre-set caster, camber, and toe settings. When aligning a vehicle with factory settings, Eccentric Repair Bolts must be installed in order to adjust caster or camber. Toe is the only adjustment that can be made without installing the Eccentric Repair Bolts.

Wheel alignment involves the correct positioning of the wheels in relation to the vehicle. The positioning is accomplished through suspension and steering linkage adjustments. An alignment is considered essential for efficient steering, good directional stability and to minimize tire wear. The most important measurements of an alignment are caster, camber and toe position.

OPERATION

CASTER





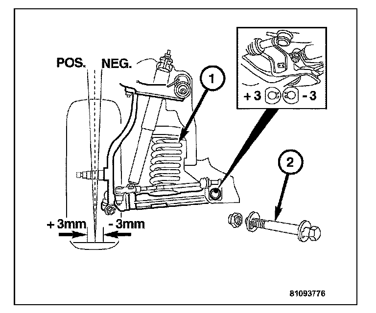
Caster is the forward or rearward tilt of the steering knuckle from vertical. Tilting the top of the knuckle rearward provides positive caster. Tilting the top of the knuckle forward provides negative caster. Caster is a directional stability angle. This angle enables the front wheels to return to a straight ahead position after turns. (2) Indicates the spring location. (1) Is the eccentric repair bolt for adjusting caster.
^ +3 mm Range of adjustment ±25' Caster.

CAMBER





Camber is the inward or outward tilt of the wheel relative to the center of the vehicle. Tilting the top of the wheel inward provides negative camber (NEG.). Tilting the top of the wheel outward provides positive camber (POS.). Incorrect camber will cause wear on the inside or outside edge of the tire. (1) Indicates the spring location. (2) Is the eccentric repair bolt for adjusting camber.
^ +3 mm Range of adjustment ±25' Camber.

WHEEL TOE POSITION





Toe is the difference between the leading inside edges (1) and the trailing inside edges (2) of the front tires. Incorrect wheel toe position is the most common cause of unstable steering and uneven tire wear. The wheel toe position is the final front wheel alignment adjustment.
^ Negative Toe (Toe Out): 1 > 2.
^ Positive Toe (Toe In): 1 < 2.

TOE-OUT ON TURNS





Toe-out on turns is the relative positioning (1) of the front wheels while steering through a turn. This compensates for each front wheel's turning radius. As the vehicle encounters a turn, the outboard wheel must travel in a larger radius circle than the inboard wheel. The steering system is designed to make each wheel follow its particular radius circle. To accomplish this, the front wheels must progressively toe outward as the steering is turned from center. This eliminates tire scrubbing and undue tire wear when steering a vehicle through a turn.

STEERING AXIS INCLINATION ANGLE
Is measured in degrees and is the angle that the steering knuckles are tilted. The inclination angle has a fixed relationship with the camber angle. It will not change except when a spindle or ball stud is damaged or bent. The angle is not adjustable, damaged component(s) must be replaced to correct the steering axis inclination angle.