FREE REPAIR MANUALS & LABOR GUIDES 1982-2013 Vehicles
Courtesy of Operation CHARM: Car repair manuals for everyone.

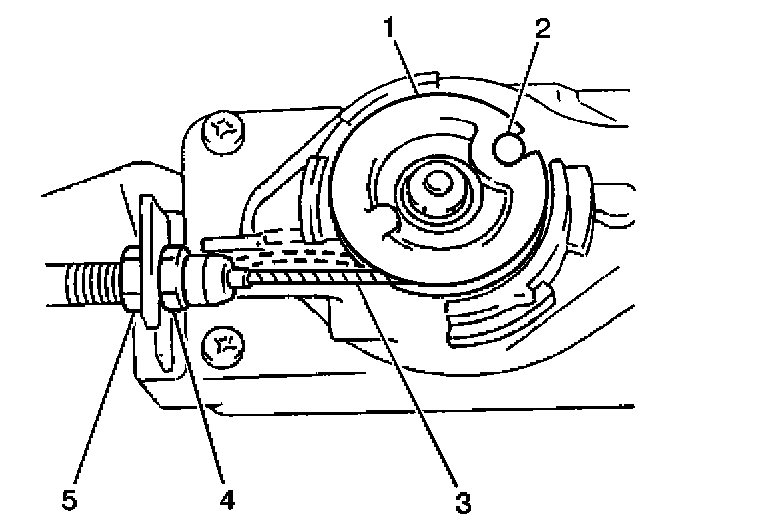
Cruise Control Servo Cable: Service and Repair

CRUISE CONTROL CABLE REPLACEMENT

REMOVAL PROCEDURE




1. Remove the cruise control module cover (1).




2. Loosen the cruise control servo cable locknut (5).
3. Remove the cruise control servo cable (3) from the cruise control servo assembly (1).




4. Remove the cruise control servo cable (3) from the cruise control servo cable retainers (5).




5. Remove the cruise control servo cable from the accelerator pedal (1).
6. Unclip the retainer (2) and grommet (4) which secure the cruise control servo cable from underneath the instrument panel.
7. Remove the cruise control servo cable from the vehicle.

INSTALLATION PROCEDURE




1. Install the cruise control servo cable to the vehicle. Secure the cable with the retainer (2) and the grommet (4).
2. Install the cruise control servo cable to the accelerator pedal (1).




3. Install the cruise control servo cable (3) to the cruise control servo cable retainers (5).




4. Install the cruise control servo cable (3) to the cruise control servo assembly (1).
5. Adjust the cruise control servo cable locknut (5) in order to adjust the cruise control cable play.
6. Adjust the cruise control servo cable play to 1-2 mm (0.04-0.08 in) at the servo closed throttle position.

NOTE: Refer to Fastener Notice in Service Precautions.

Tighten
Tighten the cruise control servo cable locknut to 5 N.m (44 lb in).




7. Install the cruise control module cover (1).