FREE REPAIR MANUALS & LABOR GUIDES 1982-2013 Vehicles
Courtesy of Operation CHARM
:
Car repair manuals for everyone.
Home
>>
Chevy Truck
>>
2002
>>
Tracker 2WD V6-2.5L VIN 4
>>
Repair and Diagnosis
>>
Powertrain Management
>>
Diagrams
>>
Electrical Diagrams
>>
Engine Controls
>>
Device Controls
Device Controls
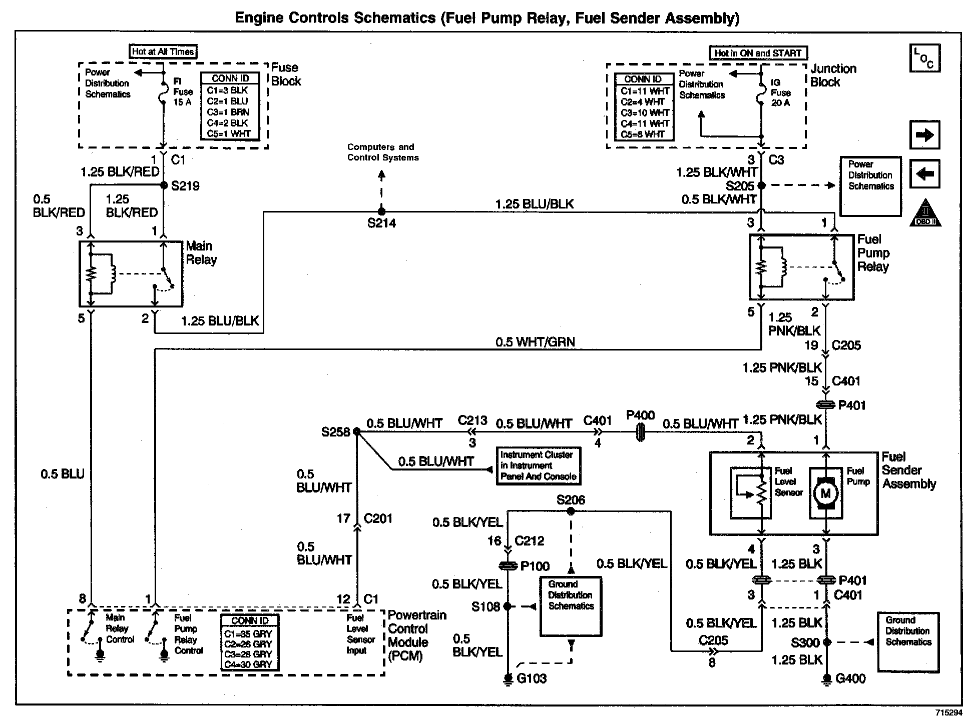
Engine Controls Schematics: Fuel Pump Relay, Fuel Sender Assembly: