FREE REPAIR MANUALS & LABOR GUIDES 1982-2013 Vehicles
Courtesy of Operation CHARM: Car repair manuals for everyone.

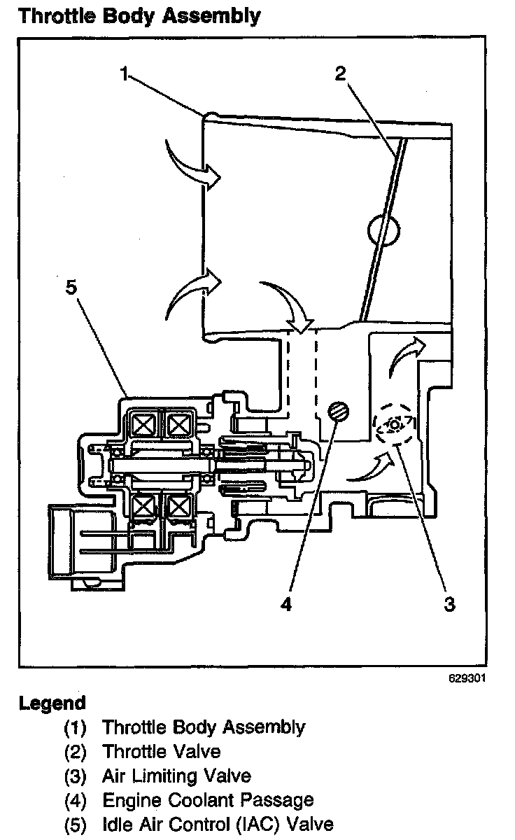
Throttle Body Assembly

Throttle Body Assembly:




The throttle body assembly is located on the right side of the engine compartment between the air inlet duct and the intake chamber. The throttle body assembly contains the following:
^ Throttle Valve
^ Idle Air Bypass Passage
^ Air Limiting Valve
^ Engine Coolant Passage

The throttle valve is interlocked with the accelerator pedal by the accelerator control cable. The throttle valve controls the large volume of air that is drawn into the intake chamber. The idle air bypass passage provides air for the control of engine speed when the throttle valve is closed. The air limiting valve provides additional bypass air to engine when the engine is cold. The air limiting valve is a bi-metal spring that is preset at the factory and cannot be adjusted. The air limiting valve is not serviced separate from the throttle body assembly. The throttle body is warmed by engine coolant that flows through the idle air control valve and into a coolant passage located in the throttle body. The warming of the throttle body helps prevent throttle valve icing. Attached to the throttle body are the Throttle Position (TP) sensor and the Idle Air Control (IAC) valve.