FREE REPAIR MANUALS & LABOR GUIDES 1982-2013 Vehicles
Courtesy of Operation CHARM: Car repair manuals for everyone.

Oil Pressure Sensor: Service and Repair

Engine Oil Pressure Sensor and/or Switch Replacement

Tools Required
- J41712 Oil Pressure Switch Socket

Removal Procedure
1. Remove the engine cover.
2. Disconnect the engine oil pressure sensor gage electrical connector.
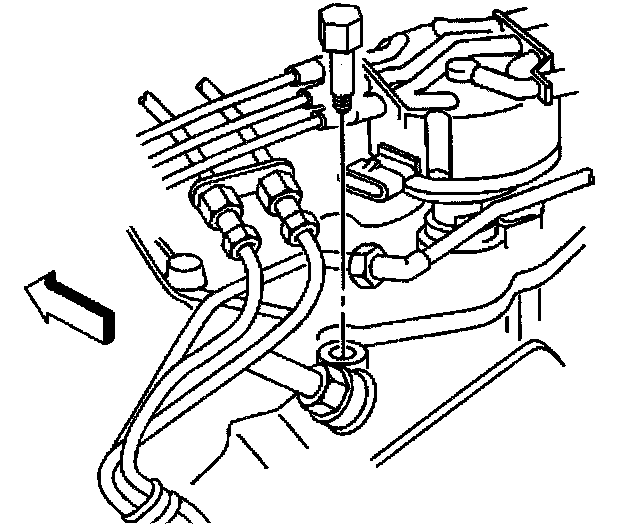
3. Hold the engine oil pressure gage sensor fitting with a wrench.





4. Remove the engine oil pressure gage sensor using J41712.

Important: Note the alignment of the engine oil pressure gage sensor fitting prior to removal.





5. Remove the engine oil pressure gage sensor fitting, if necessary.

Installation Procedure

Notice: Refer to Fastener Notice in Service Precautions.

1. Install the engine oil pressure gage sensor fitting, if removed.





1.1. Tighten the engine oil pressure gage sensor fitting to 15 Nm (11 ft. lbs.).

Important: Do not loosen the sensor fitting. Do not tighten the sensor fitting more than one turn to align.

1.2. Tighten the sensor fitting until properly aligned.





2. Install the engine oil pressure gage sensor.
3. Hold the engine oil pressure gage sensor fitting with a wrench to prevent from turning.
Using J41712 tighten the engine oil pressure gage sensor to 30 Nm (22 ft. lbs.).
4. Install the engine oil pressure gage sensor electrical connector.
5. Install the engine cover.