FREE REPAIR MANUALS & LABOR GUIDES 1982-2013 Vehicles
Courtesy of Operation CHARM
:
Car repair manuals for everyone.
Home
>>
Chevy Truck
>>
1993
>>
G 20 Van V8-379 6.2L DSL
>>
Repair and Diagnosis
>>
Powertrain Management
>>
Computers and Control Systems
>>
Malfunction Indicator Lamp
>>
Malfunction Indicator Lamp Driver Module
>>
Locations
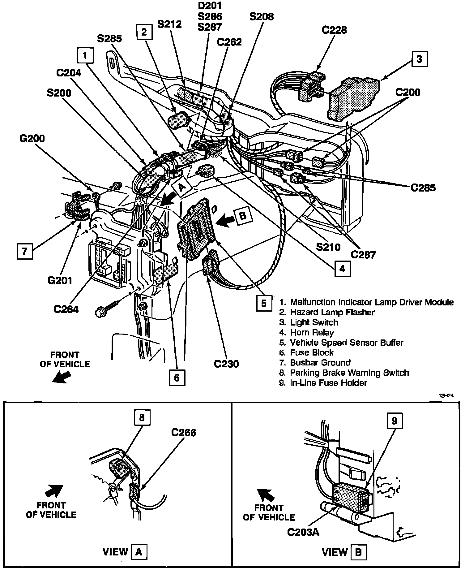
Malfunction Indicator Lamp Driver Module: Locations
I/P Harness And Controls:
Steering Column Wiring Switches: