FREE REPAIR MANUALS & LABOR GUIDES 1982-2013 Vehicles
Courtesy of Operation CHARM
:
Car repair manuals for everyone.
Home
>>
Chevy Truck
>>
1993
>>
G 20 Van V8-379 6.2L DSL
>>
Repair and Diagnosis
>>
Diagrams
>>
Electrical Diagrams
>>
Powertrain Management
>>
System Diagram
>>
Electronic/Powertrain Control Module (ECM/PCM)
>>
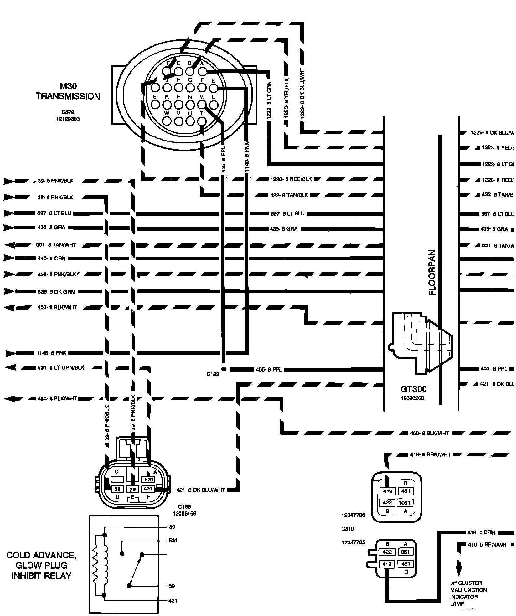
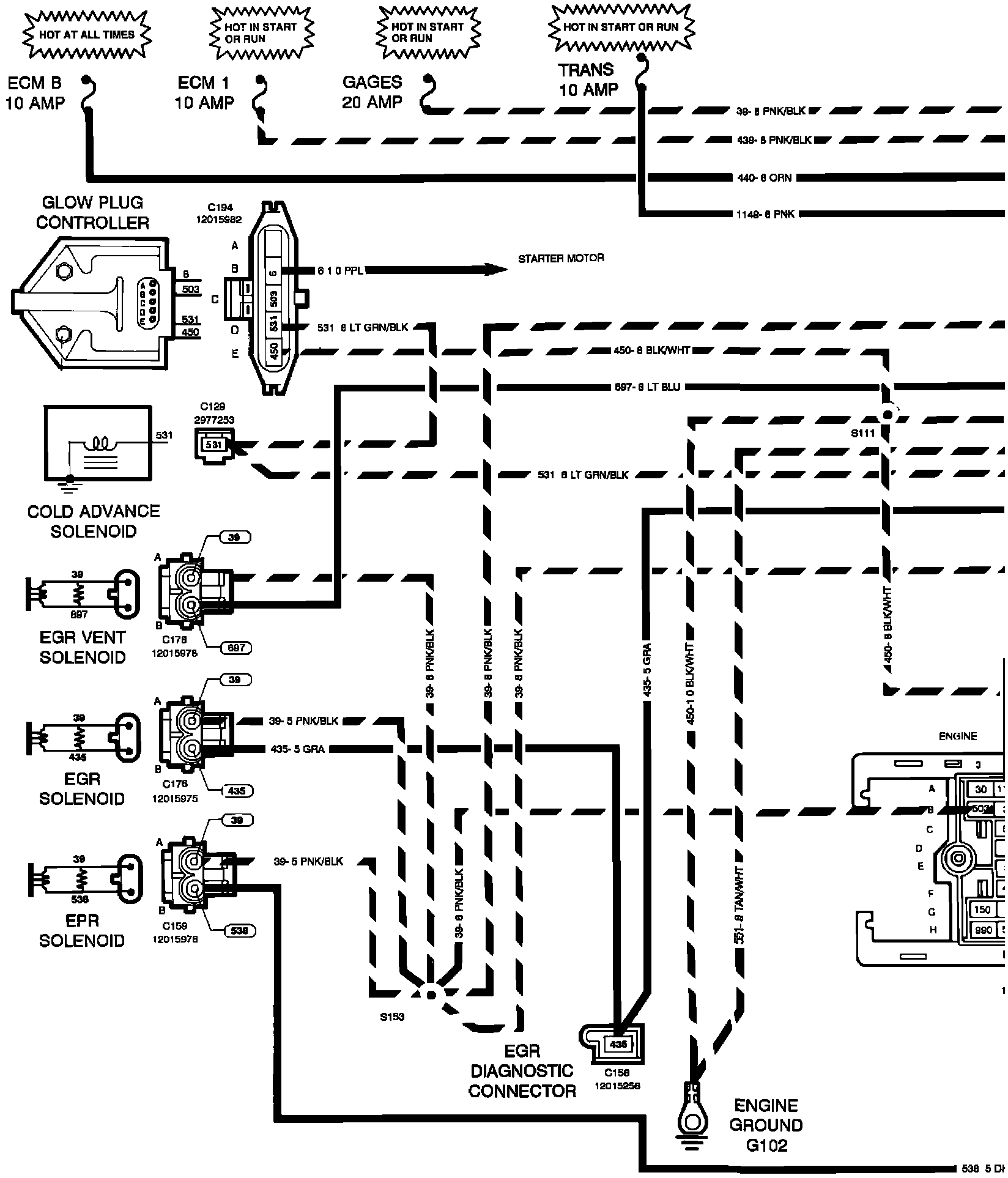
ECM/PCM Outputs
ECM/PCM Outputs
A� $Powertrain Control Module Outputs - W/4 Speed Automatic Overdrive Transmission - Diesel Engines:
[$Powertrain Control Module Outputs - W/4 Speed Automatic Overdrive Transmission - Diesel Engines: