FREE REPAIR MANUALS & LABOR GUIDES 1982-2013 Vehicles
Courtesy of Operation CHARM
:
Car repair manuals for everyone.
Home
>>
Chevy Truck
>>
1990
>>
G 20 Van V8-379 6.2L DSL
>>
Repair and Diagnosis
>>
Heating and Air Conditioning
>>
Diagrams
>>
Exploded Views
>>
A/C System Components
A/C System Components
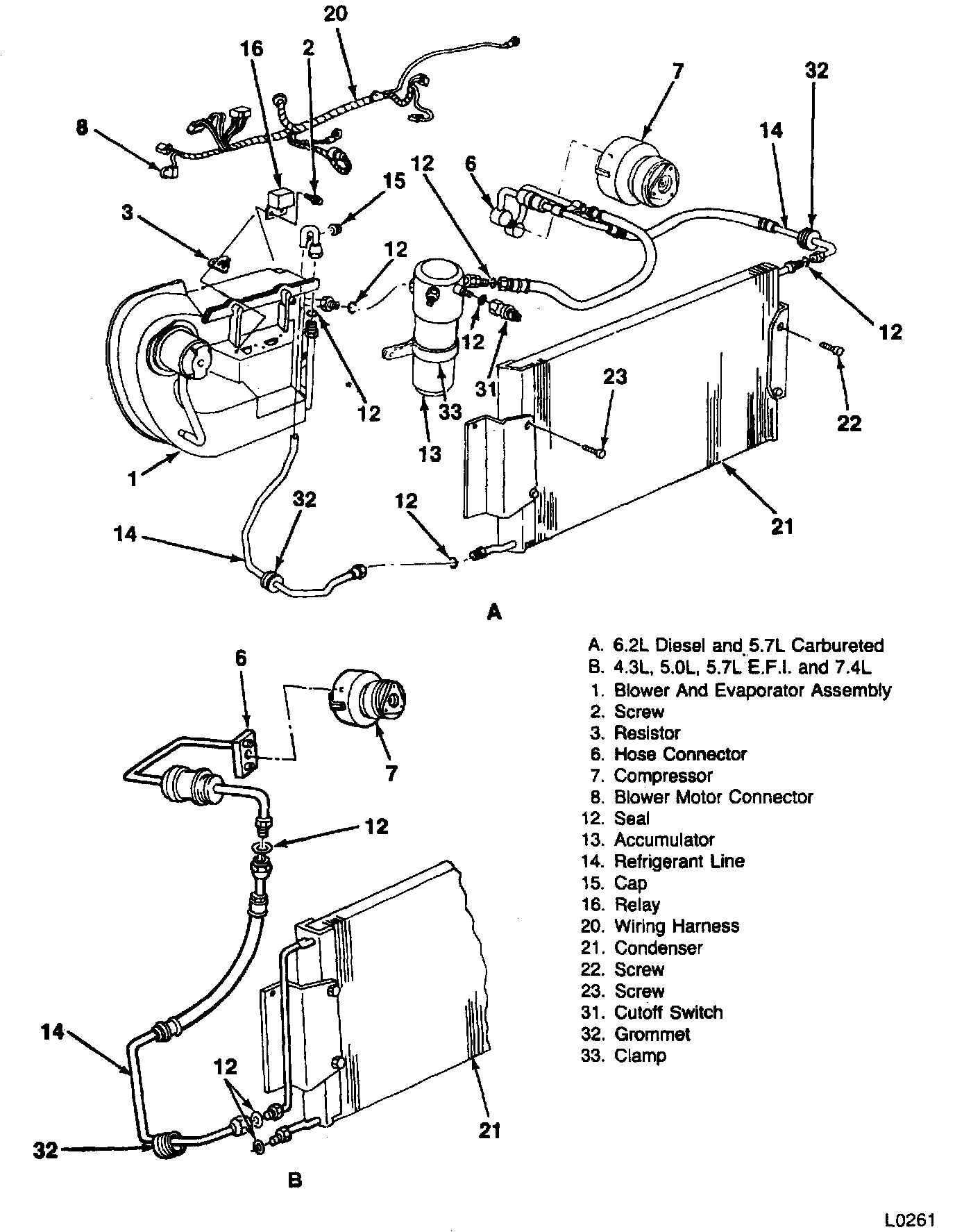
A/C System - Component View: