FREE REPAIR MANUALS & LABOR GUIDES 1982-2013 Vehicles
Courtesy of Operation CHARM: Car repair manuals for everyone.

Battery Positive Cable Replacement




Battery Positive Cable Replacement

Removal Procedure

1. Disconnect the negative battery cable. Refer to Battery Negative Cable Disconnection and Connection Battery Negative Cable Disconnection and Connection.

2. Remove the underhood fuse block cover.





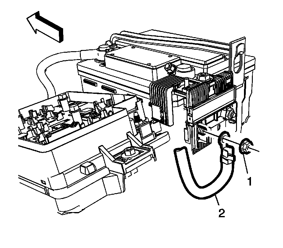
3. Remove the battery positive nut (1) and the battery positive cable (2), from the underhood fuse block.





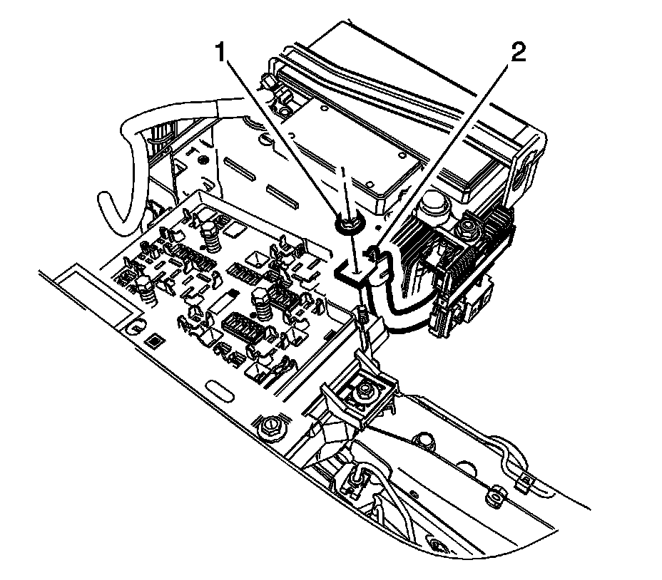
4. Remove the battery positive cable nut (1) from the battery positive cable junction block.

5. Remove the battery positive cable (2) from the vehicle.

Installation Procedure





Caution:
Refer to Fastener Caution Fastener Caution.

1. Install the battery positive cable (2) to the battery positive cable junction block and tighten nut (1) to 7 Nm (62 lb in).





2. Install the battery positive cable (2) to the underhood fuse block and tighten nut (1) to 7 Nm (62 lb in).

3. Install the underhood fuse block cover.

4. Connect the negative battery cable. Refer to Battery Negative Cable Disconnection and Connection Battery Negative Cable Disconnection and Connection.