Engine Control Module: Service and Repair
POWERTRAIN CONTROL MODULE (PCM) REPLACEMENTService of the powertrain control module (PCM) should normally consist of either replacement of the PCM or electrically erasable programmable read only memory (EEPROM) programming. If the diagnostic procedures call for PCM replacement, inspect the PCM first to see if the replacement is the correct part. If the PCM is faulty, remove the PCM and install the new service PCM.
The new service PCM will not be programmed. You must program the new PCM. DTC P0602 indicates the EEPROM is not programmed or has malfunctioned.
NOTE:
- Do not touch the connector pins or soldered components on the circuit board in order to prevent possible electrostatic discharge (ESD) damage to the PCM.
- Turn the ignition OFF when installing or removing the PCM connectors and disconnecting or reconnecting the power to the PCM (battery cable, PCM pigtail, PCM fuse, jumper cables, etc.) in order to prevent internal PCM damage.
Removal Procedure
1. Disconnect the negative battery cable.
2. Remove the left front inner fender brace.
3. Remove the air cleaner intake duct.
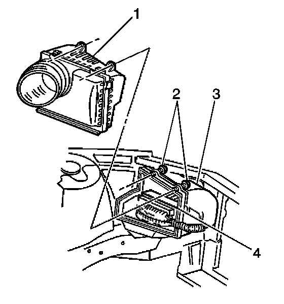
4. Remove the air cleaner housing cover screws (2).
5. Remove the air cleaner housing cover (1).
6. Without disconnecting the PCM electrical connectors, remove the PCM and the wiring harness from the air cleaner housing assembly (3).
7. Disconnect the PCM electrical connectors and remove the PCM.
Installation Procedure
NOTE: Refer to Fastener Notice in Service Precautions.
1. Install the PCM to the PCM electrical connectors.
Tighten
Tighten the connectors to 8 N.m (71 lb in).
2. Install the PCM and the wiring harness to the air cleaner housing assembly (3).
3. Install the air cleaner housing cover (1).
4. Install the air cleaner housing cover screws (2).
Tighten
Tighten the screws to 4 N.m (35 lb in).
5. Install the air cleaner intake duct.
6. Install the left front inner fender brace.
7. Connect the negative battery cable.
8. The new PCM must be programmed. Refer to Service Programming System (SPS) in Programming. Programming and Relearning