FREE REPAIR MANUALS & LABOR GUIDES 1982-2013 Vehicles
Courtesy of Operation CHARM: Car repair manuals for everyone.

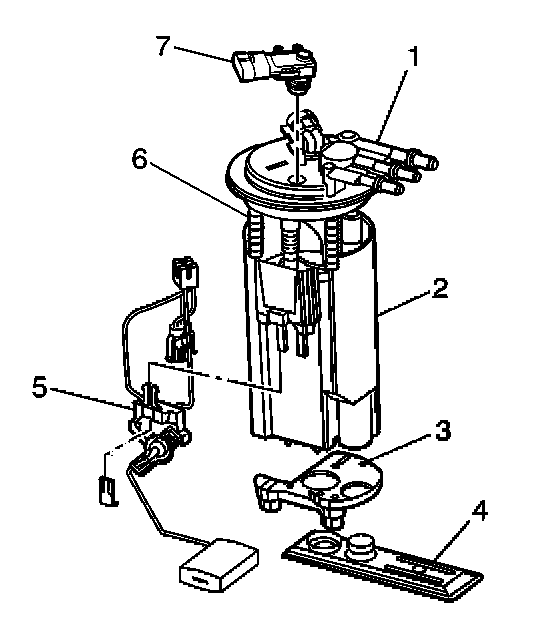
Fuel Tank Pressure Sensor: Service and Repair

FUEL TANK PRESSURE SENSOR REPLACEMENT

REMOVAL PROCEDURE




1. Remove the fuel tank pressure sensor (7) from the fuel sender assembly (1).
2. Disconnect the negative battery cable.
3. Remove the fuel sender assembly.

INSTALLATION PROCEDURE




1. Install the new fuel tank pressure sensor (7) to the fuel sender assembly (1).
2. Install the fuel sender assembly.
3. Connect the negative battery cable.