FREE REPAIR MANUALS & LABOR GUIDES 1982-2013 Vehicles
Courtesy of Operation CHARM: Car repair manuals for everyone.

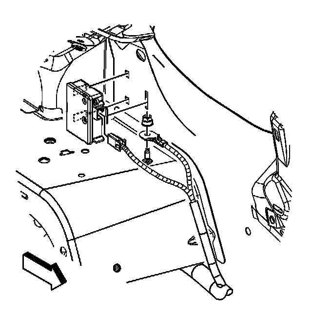
(Extended Sedan)

REMOTE CONTROL DOOR LOCK RECEIVER REPLACEMENT (EXTENDED SEDAN)

REMOVAL PROCEDURE
1. Remove the rear quarter lower trim panel.
2. Disconnect the electrical connectors from the receiver.




3. Remove the receiver from the vehicle.

INSTALLATION PROCEDURE




1. Install the receiver to the vehicle.
2. Connect the electrical connectors to the receiver.
3. Install the rear quarter lower trim panel.