FREE REPAIR MANUALS & LABOR GUIDES 1982-2013 Vehicles
Courtesy of Operation CHARM: Car repair manuals for everyone.

Frame Replacement (W/LX9)



Frame Replacement (W/LX9)

Removal Procedure




1. Install the engine support fixture.
2. Support the radiator and condenser by looping a rope around each of the 2 tabs of the condenser and tie the rope around the upper tie bar.
3. Raise and support the vehicle. Refer to Vehicle Lifting.
4. Remove the front wheels.
5. Remove the engine splash shield.
6. Disconnect the lower radiator support bracket to frame bolts and disengage the alignment feature.




7. Disconnect the stabilizer link from the stabilizer shaft.




8. Disconnect the outer tie rods (3) from the steering knuckles (6).
9. Remove the exhaust crossover pipe.




10. Remove the lower control arms.




11. Remove the intermediate steering shaft to steering gear pinch bolt.
12. Disconnect the intermediate steering shaft from the steering gear. Note the alignment of the steering shaft to steering gear for installation.




13. Remove the front transmission mount through bolt.




14. Remove the rear transmission mount through bolt.




15. Remove the frame to side transmission mount bolts.




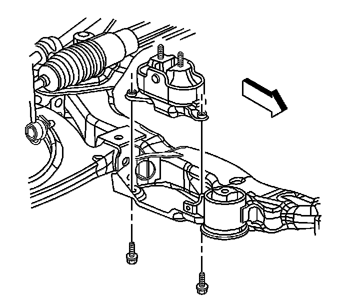
16. Remove the frame to engine mount bolts.
17. Support the frame assembly with a support fixture.




18. Remove the rear frame to support brace bolts.




19. Remove the frame to body bolts.
20. Lower the frame from the vehicle.
21. When replacing the frame, remove the following components:

* Steering gear-Refer to Power Steering Gear Replacement in Power Steering System.
* Stabilizer shaft-Refer to Stabilizer Shaft Replacement in Front Suspension.




* Rear transmission mount bracket-Refer to Transmission Mount Replacement - Rear in Automatic Transaxle - 4T40-E/4T45-E.

Installation Procedure

1. When replacing the frame, install the following components:

* Steering gear-Refer to Power Steering Gear Replacement in Power Steering System.
* Stabilizer shaft-Refer to Stabilizer Shaft Replacement in Front Suspension.




* Rear transmission mount bracket -Refer to Transmission Mount Replacement - Rear in Automatic Transaxle - 4T40-E/4T45-E.

2. Raise the frame to the vehicle.




3. Install the frame to body bolts. Hand tighten only.




4. Install the rear frame support brace to frame and body bolts. Hand tighten only.






Notice: Refer to Fastener Notice in Service Precautions.

5. Using a drift or suitable alignment tool, align the frame to body through the supplied alignment holes in the rear of the frame.

* Tighten the frame to body bolts to 100 N.m (74 lb ft) plus 90 degrees.
* Tighten the frame support to body bolts to 100 N.m (74 lb ft).

6. Remove the support fixture.




7. Install the lower control arm.




8. Connect the outer tie rods (3) to the steering knuckles (6).




9. Connect the stabilizer link to the stabilizer shaft.




10. Install the frame to engine mount bolts.

Tighten the bolts to 50 N.m (37 lb ft).




11. Install the frame to side transmission mount bolts.

Tighten the bolts to 50 N.m (37 lb ft).




12. Install the rear transmission mount through bolt.

Tighten the bolt to 90 N.m (66 lb ft).




13. Install the front transmission mount through bolt.

Tighten the bolt to 90 N.m (66 lb ft).




14. Connect the intermediate steering shaft to the steering gear. Locate the shaft as previously noted.
15. Install the intermediate steering shaft pinch bolt.

Tighten the bolt to 49 N.m (36 lb ft).

16. Install the exhaust crossover pipe.
17. Connect the lower radiator support bracket to frame bolts using the alignment feature.

Tighten the radiator support bracket bolts to 60 N.m (44 lb ft).

18. Install the engine splash shields.
19. Install the front wheels.
20. Lower the vehicle.
21. Remove the powertrain support fixture.
22. Remove the radiator and condenser support.