FREE REPAIR MANUALS & LABOR GUIDES 1982-2013 Vehicles
Courtesy of Operation CHARM: Car repair manuals for everyone.

Global Positioning System Module: Service and Repair


COMMUNICATION INTERFACE MODULE REPLACEMENT

REMOVAL PROCEDURE

IMPORTANT: The communication interface module has a specific set of unique numbers that tie the module to each vehicle. These numbers, the 10-digit station identification and the 11-digit electronic serial number, are used by the National Cellular Network and OnStar to identify the specific vehicle. Because these numbers are tied to the vehicle identification number of the vehicle, you must never exchange these parts with those of another vehicle.

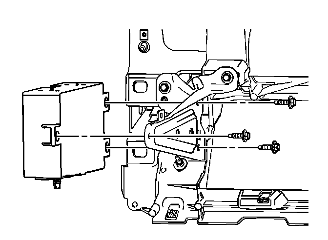
1. Remove the right closeout panel.
2. Disconnect the communication interface module wire harness and antenna connectors.




3. Remove the communication interface module bolts.




4. Remove the communication interface module.

INSTALLATION PROCEDURE




1. Install the communication interface module.

NOTE: Refer to Fastener Notice in Service Precautions.

2. Tighten the communication interface module bolts.

Tighten
Tighten the bolts to 10 N.m (89 lb in).

3. Connect the communication interface module wire harness and antenna connectors.
4. Install the right closeout panel.

IMPORTANT: After replacing the communication interface module, you must reconfigure the OnStar system. Failure to reconfigure the system will result in an additional customer visit or repair. In addition, pressing and holding the white dot button on the keypad will NOT reset the OnStar system. This action will cause a DTC to set.

5. Reconfigure the OnStar system. Refer to OnStar Reconfiguration. Programming and Relearning