FREE REPAIR MANUALS & LABOR GUIDES 1982-2013 Vehicles
Courtesy of Operation CHARM: Car repair manuals for everyone.

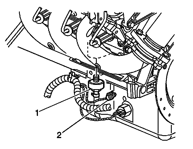
Knock Sensor (KS) 1 Replacement

KNOCK SENSOR (KS) 1 REPLACEMENT

REMOVAL PROCEDURE

CAUTION: Hot engine coolant may cause severe burns. Although the cooling system has been drained, coolant still remains in the engine water jacket. This coolant will drain with the removal of the knock sensor.

1. Raise and support the vehicle. Refer to Vehicle Lifting.




2. Drain the cooling system. Refer to Draining and Filling Cooling System in Cooling System.
3. Disconnect the knock sensor electrical connector (2).
4. Remove the knock sensor (1).

INSTALLATION PROCEDURE

NOTE: Refer to Fastener Notice in Service Precautions.

IMPORTANT: DO NOT apply thread sealant to sensor threads. The sensor is coated at factory and applying additional sealant will affect the sensors ability to detect detonation.

1. Install the knock sensor (1).

Tighten
Tighten the knock sensor to 19 N.m (14 lb ft).




2. Connect the knock sensor electrical connector (2).
3. Lower the vehicle.
4. Fill the cooling system. Refer to Draining and Filling Cooling System in Cooling System.